Торговая марка
основана в 1994 году

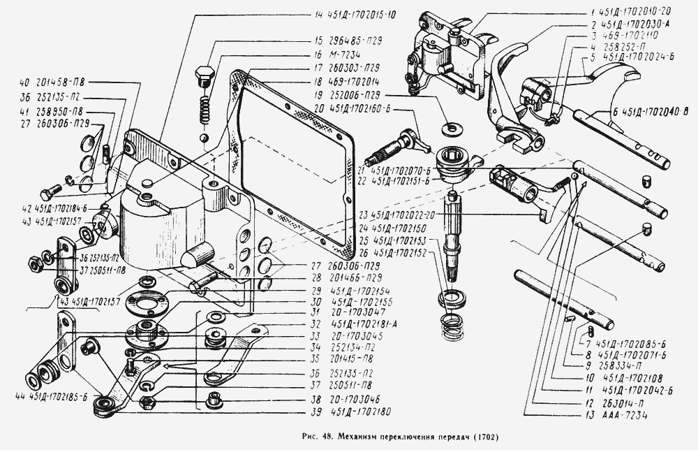
Механизм переключения передач

Механизм переключения передач
Метка Каталожный номер Наименование детали Наличие
451Д-1702108 451Д-1702108 Плунжер замочный
Фото Артикул Наименование Модель Ед. Наличие Цена интернет магазина
плунжер штоков КПП 00000060197 плунжер штоков КПП У-469 17₽
В корзину
451Д-1702160-Б 451Д-1702160-Б Рычаг избирательный
Фото Артикул Наименование Модель Ед. Наличие Цена интернет магазина
рычаг избират.мехКПП 00000060337 рычаг избират.мехКПП У-452 334₽
В корзину