Торговая марка
основана в 1994 году

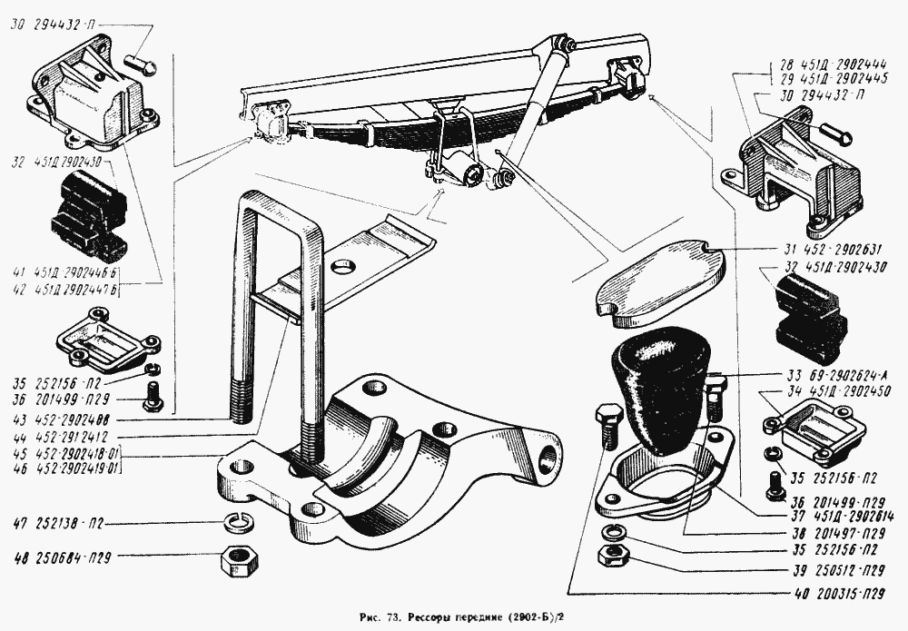
Рессоры передние

Рессоры передние
Метка Каталожный номер Наименование детали Наличие
451Д-2902430 451Д-2902430 Подушка рессоры
Фото Артикул Наименование Модель Ед. Наличие Цена интернет магазина
Подушка рессоры (полиуретан) ООО"Еласт"У-452 00000016918 Подушка рессоры (полиуретан) ООО"Еласт"У-452 У-452 шт 152₽
В корзину
Подушка рессоры /РТИ/ У-452 00000016919 Подушка рессоры /РТИ/ У-452 У-452 шт 104₽
В корзину
Подушка рессоры /СЗРТ/  У-452 00000016920 Подушка рессоры /СЗРТ/ У-452 У-452 шт 345₽
В корзину
452-2902408 452-2902408 Стремянка
Фото Артикул Наименование Модель Ед. Наличие Цена интернет магазина
Стремянка рессоры (усиленная) "УАЗ" У-452 00000023894 Стремянка рессоры (усиленная) "УАЗ" У-452 У-452 шт 210₽
В корзину
452-2902418-01 452-2902418-01 Прокладка стремянок правая
Фото Артикул Наименование Модель Ед. Наличие Цена интернет магазина
прокл.стрем.пер.прав 00000060266 прокл.стрем.пер.прав У-452 575₽
В корзину
прокладка стрем.прав 00000060275 прокладка стрем.прав У-452 377₽
В корзину
452-2912412 452-2912412 Накладка
Фото Артикул Наименование Модель Ед. Наличие Цена интернет магазина
Накладка рессоры "УАЗ" У-452 00000060161 Накладка рессоры "УАЗ" У-452 У-452 шт 218₽
В корзину