Торговая марка
основана в 1994 году

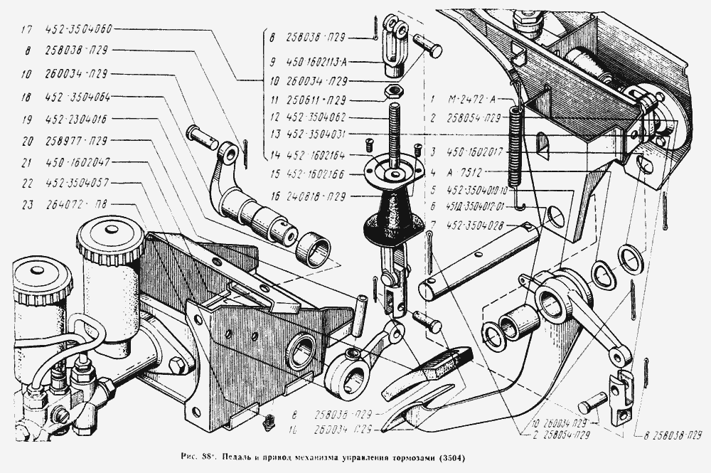
Педаль и привод механизма управления тормозами

Педаль и привод механизма управления тормозами
Метка Каталожный номер Наименование детали Наличие
264072-П8 264072-П8 Масленка 1,1
Фото Артикул Наименование Модель Ед. Наличие Цена интернет магазина
пресс-масленка коническая 264072-П8  "БелЗАН" 00000052805 пресс-масленка коническая 264072-П8 "БелЗАН" шт 3₽
В корзину
450-1602047 450-1602047 Накладка педали привода выключения сцепления
Фото Артикул Наименование Модель Ед. Наличие Цена интернет магазина
Накладка педали привода выключения сцепления РТИ УАЗ 00000016040 Накладка педали привода выключения сцепления РТИ УАЗ УАЗ шт 21₽
Нет в наличии
452-2304016 452-2304016 Втулка шкворня
Фото Артикул Наименование Модель Ед. Наличие Цена интернет магазина
втулка шкворня "УАЗ" У-452 00000013477 втулка шкворня "УАЗ" У-452 У-452 шт 81₽
В корзину