Торговая марка
основана в 1994 году

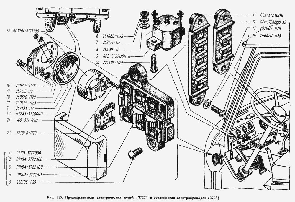
Предохранители электрических цепей, соединители электропроводов

Предохранители электрических цепей, соединители электропроводов