Торговая марка
основана в 1994 году

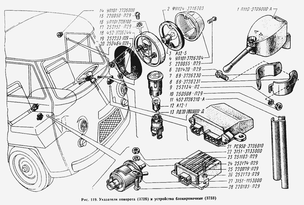
Указатели поворота, устройства блокировочные

Указатели поворота, устройства блокировочные