Торговая марка
основана в 1994 году

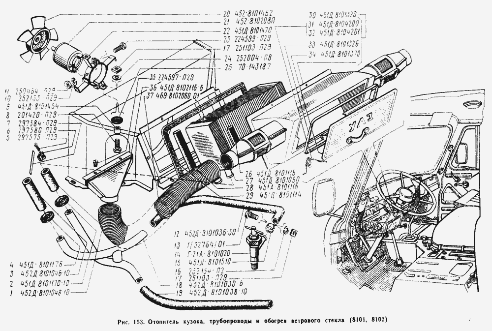
Отопитель кузова и трубопроводы, обогрев ветрового стекла

Отопитель кузова и трубопроводы, обогрев ветрового стекла