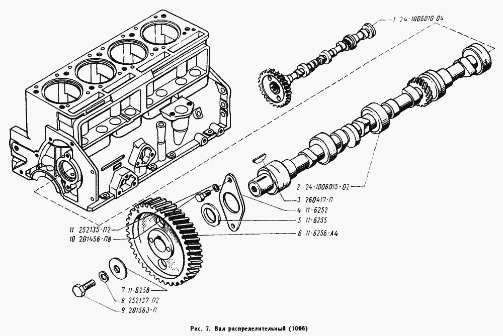
Вал распределительный
| Метка | Каталожный номер | Наименование детали | Наличие | |||||||||||||||||
|---|---|---|---|---|---|---|---|---|---|---|---|---|---|---|---|---|---|---|---|---|
| 11-6252 | 11-6252 | Фланец упорный | ||||||||||||||||||
|
||||||||||||||||||||
| Метка | Каталожный номер | Наименование детали | Наличие | |||||||||||||||||
|---|---|---|---|---|---|---|---|---|---|---|---|---|---|---|---|---|---|---|---|---|
| 11-6252 | 11-6252 | Фланец упорный | ||||||||||||||||||
|
||||||||||||||||||||
Если у Вас есть замечания или претензии к нашей работе, то просим вас оставлять свои замечания или претензии к нашей работе в форме ниже:
С Вами обязательно свяжутся. Ваше сообщение обязательно будет прочитано собственником и генеральным директором.
Нажимая кнопку «Отправить», я подтверждаю, что я ознакомлен и согласен с условиями политики обработки персональных данных.