Торговая марка
основана в 1994 году

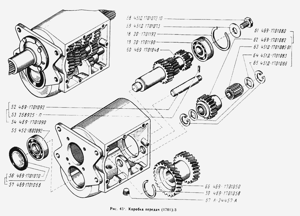
Коробка передач

Коробка передач
Метка Каталожный номер Наименование детали Наличие
469-1701048 469-1701048 Вал промежуточный с шестернями в сборе
Фото Артикул Наименование Модель Ед. Наличие Цена интернет магазина
вал КПП промежут.н/о 00000059963 вал КПП промежут.н/о У-469 2240₽
В корзину
469-1701050 469-1701050 Блок шестерен промежуточного вала
Фото Артикул Наименование Модель Ед. Наличие Цена интернет магазина
блок шестер.КПП н/о. 00000059950 блок шестер.КПП н/о. У-469 2717₽
В корзину
469-1701080 469-1701080 Шестерня заднего хода с подшипником в сборе
Фото Артикул Наименование Модель Ед. Наличие Цена интернет магазина
шестерня з/х/сб.н/о 00000060495 шестерня з/х/сб.н/о У-469 1218₽
В корзину