Торговая марка
основана в 1994 году

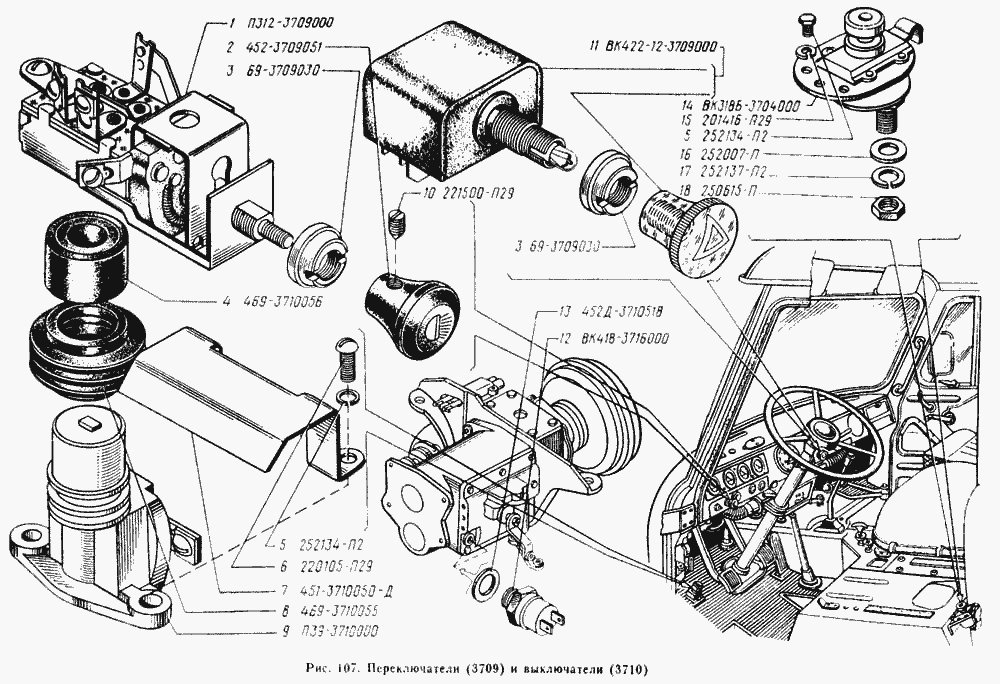
Переключатели, выключатели

Переключатели, выключатели