Торговая марка
основана в 1994 году

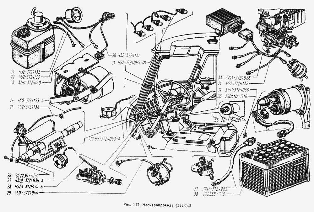
Электропровода

Электропровода