Торговая марка
основана в 1994 году

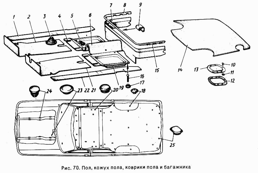
Пол, кожух пола, коврики пола и багажник

Пол, кожух пола, коврики пола и багажник
Метка Каталожный номер Наименование детали Наличие
20 21-5101582 Заглушка
Фото Артикул Наименование Модель Ед. Наличие Цена в магазине сегодня Цена интернет магазина
заглушка пола "СЗРТ" г.Саранск Волга  21-5101582 00000014110 заглушка пола "СЗРТ" г.Саранск Волга 21-5101582 ГАЗ шт 15₽ 14₽
Нет в наличии
3 24-5107080-10 Уплотнитель кожуха пола
Фото Артикул Наименование Модель Ед. Наличие Цена в магазине сегодня Цена интернет магазина
чехол рычага 4-х ступенчатой КПП "РТИ" Волга Газ-2410,31029 24-5107080-10 00000059039 чехол рычага 4-х ступенчатой КПП "РТИ" Волга Газ-2410,31029 24-5107080-10 Г24 шт 29₽ 27₽
Нет в наличии