Торговая марка
основана в 1994 году

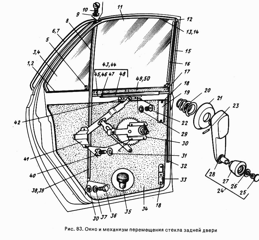
Окно и механизм перемещения стекла задней двери

Окно и механизм перемещения стекла задней двери