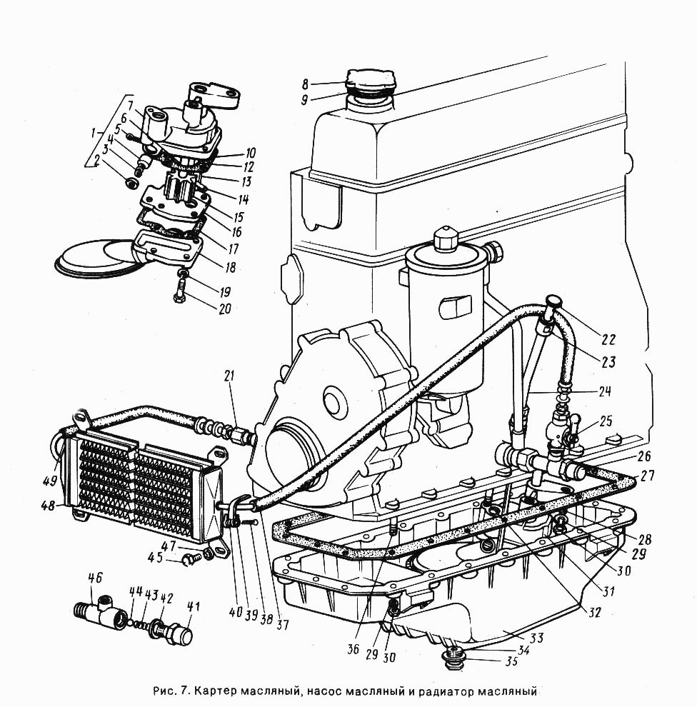
Картер масляный, насос масляный и радиатор масляный
| Метка | Каталожный номер | Наименование детали | Наличие | ||||||||||||||||||||||||||||
|---|---|---|---|---|---|---|---|---|---|---|---|---|---|---|---|---|---|---|---|---|---|---|---|---|---|---|---|---|---|---|---|
| 27 | 24-1009070 | Прокладка масляного картера | |||||||||||||||||||||||||||||
|
|||||||||||||||||||||||||||||||
| 17 | 24-1011070-10 | Прокладка приемного патрубка | |||||||||||||||||||||||||||||
|
|||||||||||||||||||||||||||||||
| 34 | 293469-П | Шайба 18 | |||||||||||||||||||||||||||||
|
|||||||||||||||||||||||||||||||
| 35 | 296494-П8 | Пробка М18х1,5х12 | |||||||||||||||||||||||||||||
|
|||||||||||||||||||||||||||||||
| 9 | 51А-1002159 | Прокладка крышки | |||||||||||||||||||||||||||||
|
|||||||||||||||||||||||||||||||
| 25 | Г-51-1013140-02 | Краник ПП6-1 | |||||||||||||||||||||||||||||
|
|||||||||||||||||||||||||||||||
