Торговая марка
основана в 1994 году

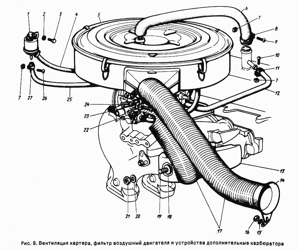
Вентиляция картера, фильтр воздушный двигателя и устройства дополнительного карбюратора

Вентиляция картера, фильтр воздушный двигателя и устройства дополнительного карбюратора
Метка Каталожный номер Наименование детали Наличие
6 24-10-1014075 Шланг вентиляции
Фото Артикул Наименование Модель Ед. Наличие Цена в магазине сегодня Цена интернет магазина
шланг вентиляции двигателя "РТИ" Волга,Газель ЗМЗ-402 00000019670 шланг вентиляции двигателя "РТИ" Волга,Газель ЗМЗ-402 Г31029 шт 113₽ 104₽
В корзину
13 3102-1109092 Экран подогрева воздуха в сборе
Фото Артикул Наименование Модель Ед. Наличие Цена в магазине сегодня Цена интернет магазина
экран подогрева воздуха "ЗМЗ" Волга,Газель ЗМЗ-402,4021,4025,4026 Газ-2410,31029,3110,3302,2705,3221 3102-1109092 00000022912 экран подогрева воздуха "ЗМЗ" Волга,Газель ЗМЗ-402,4021,4025,4026 Газ-2410,31029,3110,3302,2705,3221 3102-1109092 Г-402 шт 308₽ 288₽
Нет в наличии