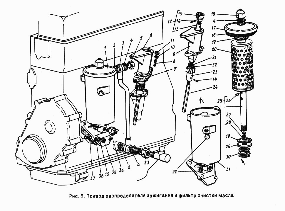
Привод распределителя зажигания и фильтр очистки масла
| Метка | Каталожный номер | Наименование детали | Наличие | |||||||||||||||||||
|---|---|---|---|---|---|---|---|---|---|---|---|---|---|---|---|---|---|---|---|---|---|---|
| 7 | 21-1016023-Б | Прокладка корпуса привода | ||||||||||||||||||||
|
||||||||||||||||||||||
| 6 | 24-1016010-12 | Привод распределителя зажигания | ||||||||||||||||||||
|
||||||||||||||||||||||
| 2 | 24-1017033 | Прокладка | ||||||||||||||||||||
|
||||||||||||||||||||||
| 2 | 24-1017033 | Прокладка | ||||||||||||||||||||
|
||||||||||||||||||||||
| 11 | 250511-П29 | Гайка М8х1-6Н ОСТ 37.001.124-93 | ||||||||||||||||||||
|
||||||||||||||||||||||
| 4 | 293469-П | Шайба 18 | ||||||||||||||||||||
|
||||||||||||||||||||||
| 4 | 293469-П | Шайба 18 | ||||||||||||||||||||
|
||||||||||||||||||||||
| 4 | 293469-П | Шайба 18 | ||||||||||||||||||||
|
||||||||||||||||||||||
| 32 | 353052-П29 | Пробка К1/4" | ||||||||||||||||||||
|
||||||||||||||||||||||
