Торговая марка
основана в 1994 году

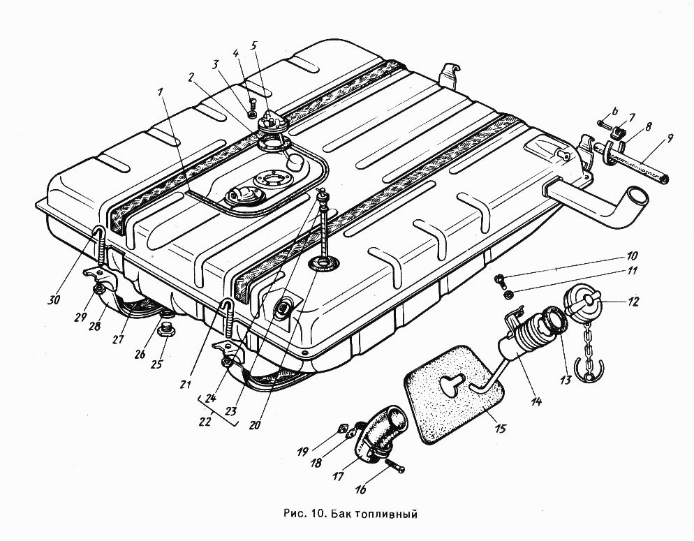
Бак топливный

Бак топливный
Метка Каталожный номер Наименование детали Наличие
2 12-1104022 Прокладка датчика и фланца
Фото Артикул Наименование Модель Ед. Наличие Цена в магазине сегодня Цена интернет магазина
прокладка топливозаборника и датчика уровня топлива Волга,Газель "РТИ" г.Ярославль 00000017483 прокладка топливозаборника и датчика уровня топлива Волга,Газель "РТИ" г.Ярославль ГАЗ шт 13₽ 12₽
В корзину
12 21-1103010 Пробка в сборе
Фото Артикул Наименование Модель Ед. Наличие Цена в магазине сегодня Цена интернет магазина
крышка топливного бака в сборе  Волга,Газель,УАЗ 21-1103010 00000015347 крышка топливного бака в сборе Волга,Газель,УАЗ 21-1103010 ГАЗ шт 125₽ 115₽
В корзину
28 24-02-1101110 Хомут (55 л бак)
Фото Артикул Наименование Модель Ед. Наличие Цена в магазине сегодня Цена интернет магазина
хомут крепления бензобака  Волга 00000015142 хомут крепления бензобака Волга Волга компл 172₽ 158₽
В корзину