Торговая марка
основана в 1994 году

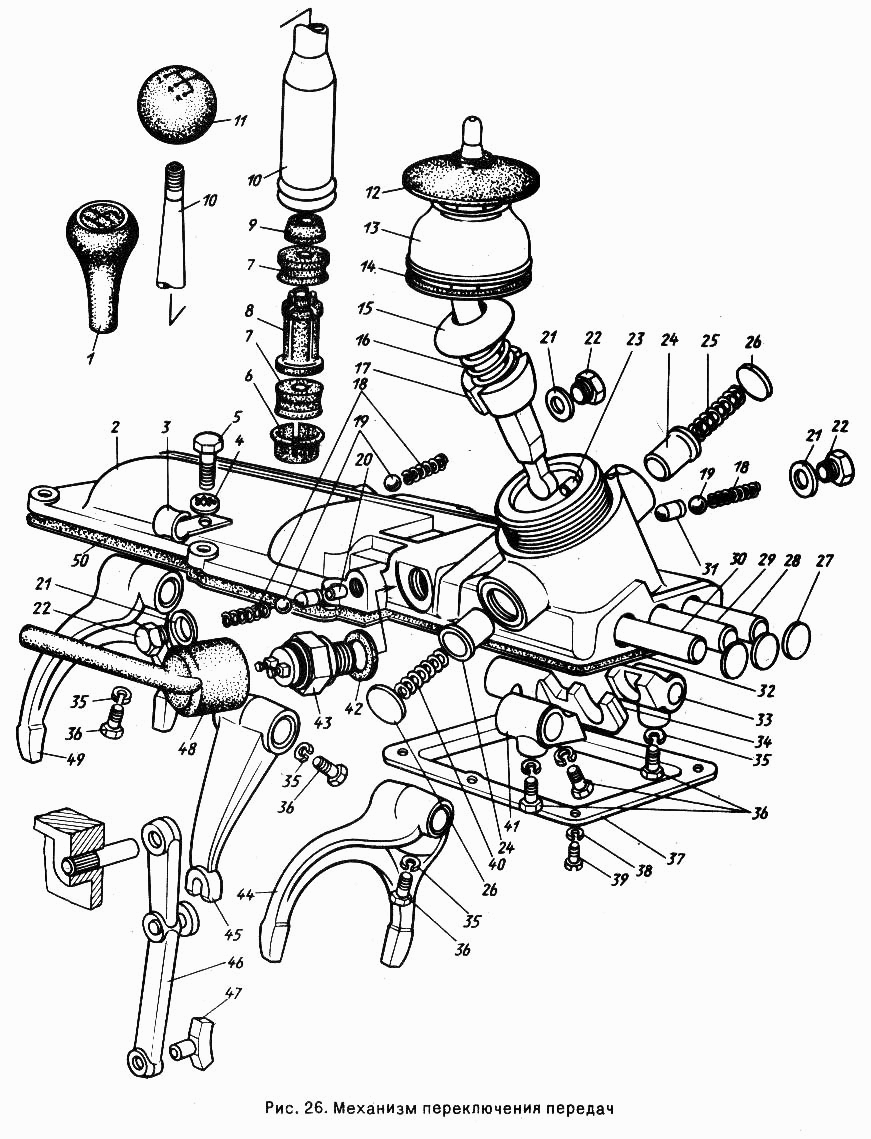
Механизм переключения передач

Механизм переключения передач
Метка Каталожный номер Наименование детали Наличие
27 260305-П Заглушка 16 ОСТ 37.001.173-82
Фото Артикул Наименование Модель Ед. Наличие Цена в магазине сегодня Цена интернет магазина
заглушка 16 ОСТ 37.001.173-82 переднего картера 5-ти ступенчатой КПП  Волга,Газель 260305-П 00000014124 заглушка 16 ОСТ 37.001.173-82 переднего картера 5-ти ступенчатой КПП Волга,Газель 260305-П 5-ст шт 2₽ 2₽
В корзину
26 260307-П Заглушка 20
Фото Артикул Наименование Модель Ед. Наличие Цена в магазине сегодня Цена интернет магазина
заглушка крышки КПП 00000058963 заглушка крышки КПП 5-ст 6₽ 5₽
В корзину
26 260307-П Заглушка 20
Фото Артикул Наименование Модель Ед. Наличие Цена в магазине сегодня Цена интернет магазина
заглушка крышки КПП 00000058963 заглушка крышки КПП 5-ст 6₽ 5₽
В корзину