Торговая марка
основана в 1994 году

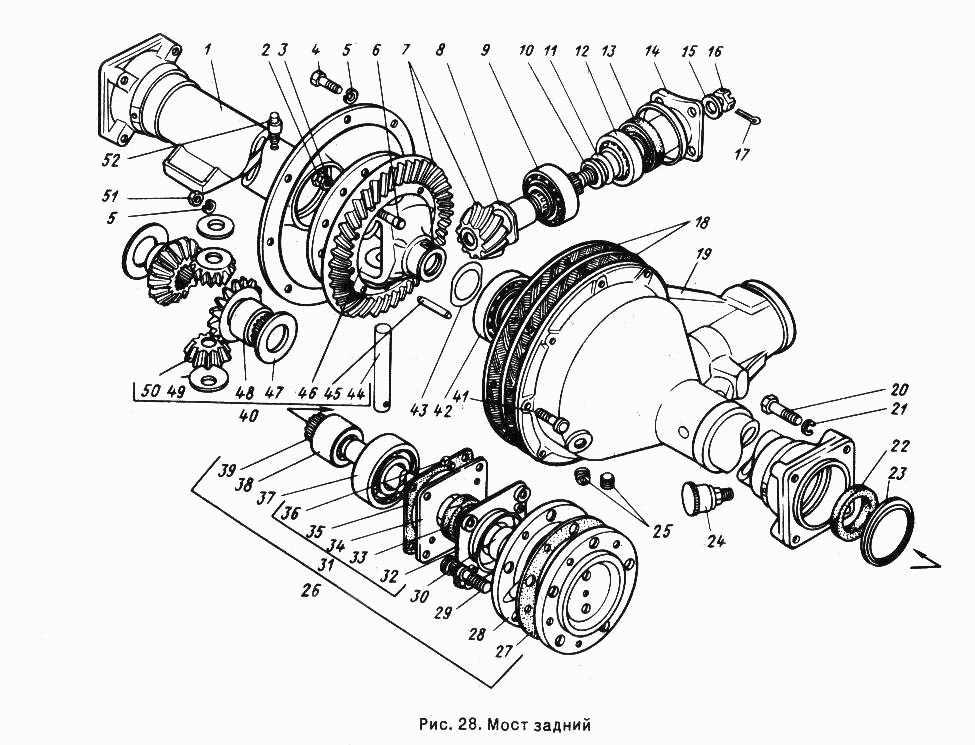
Мост задний

Мост задний
Метка Каталожный номер Наименование детали Наличие
22 12-2401060-Б Сальник внутренний подшипника полуоси заднего моста с пружиной в сборе
Фото Артикул Наименование Модель Ед. Наличие Цена в магазине сегодня Цена интернет магазина
Сальник полуоси и ступицы передней Волга "РТИ" г.Балаково 00000018808 Сальник полуоси и ступицы передней Волга "РТИ" г.Балаково Волга шт 69₽ 63₽
В корзину
Сальник полуоси и ступицы передней Волга "Corteco" Италия 00000018809 Сальник полуоси и ступицы передней Волга "Corteco" Италия Волга шт 186₽ 171₽
В корзину
23 12-2403082 Прокладка пружинная подшипника полуоси заднего моста
Фото Артикул Наименование Модель Ед. Наличие Цена в магазине сегодня Цена интернет магазина
прокладка пружинная подшипника полуоси заднего моста  Волга Газ-24,2410,31029,3110,31105 00000020444 прокладка пружинная подшипника полуоси заднего моста Волга Газ-24,2410,31029,3110,31105 Волга шт 46₽ 43₽
В корзину
43 12-2403090 Прокладка регулировочная подшипников дифференциала заднего моста (толщина 0,1 мм)
Фото Артикул Наименование Модель Ед. Наличие Цена в магазине сегодня Цена интернет магазина
Прокладка регулировочная дифференциала толщиной 0,10/0,15/0,25/0,4 мм "УАЗ" 00000020458 Прокладка регулировочная дифференциала толщиной 0,10/0,15/0,25/0,4 мм "УАЗ" УАЗ шт 9₽ 8₽
В корзину
29 20-3103008-Б Болт ступицы колеса
Фото Артикул Наименование Модель Ед. Наличие Цена в магазине сегодня Цена интернет магазина
Шпилька ступицы колеса  Волга 24,2410,31029 00000020777 Шпилька ступицы колеса Волга 24,2410,31029 Волга шт 53₽ 49₽
В корзину
25 296576-П29 Пробка КГ1/2"
Фото Артикул Наименование Модель Ед. Наличие Цена в магазине сегодня Цена интернет магазина
пробка КГ1/2" картера КПП  Волга,Газель 00000017332 пробка КГ1/2" картера КПП Волга,Газель Волга шт 28₽ 26₽
В корзину
52 298430-П Сапун в сборе
Фото Артикул Наименование Модель Ед. Наличие Цена в магазине сегодня Цена интернет магазина
сапун заднего моста Волга,Газель 00000018853 сапун заднего моста Волга,Газель ГАЗ шт 142₽ 130₽
В корзину
сапун заднего моста К 00000036355 сапун заднего моста К ГАЗ шт 30₽ 30₽
Нет в наличии
38 3102-2403084 Кольцо зажимное
Фото Артикул Наименование Модель Ед. Наличие Цена в магазине сегодня Цена интернет магазина
кольцо зажимное полуоси заднего моста  Волга Газ-2410,31029,3102,3110,31105 3102-2403084 00000013428 кольцо зажимное полуоси заднего моста Волга Газ-2410,31029,3102,3110,31105 3102-2403084 Волга шт 294₽ 270₽
В корзину