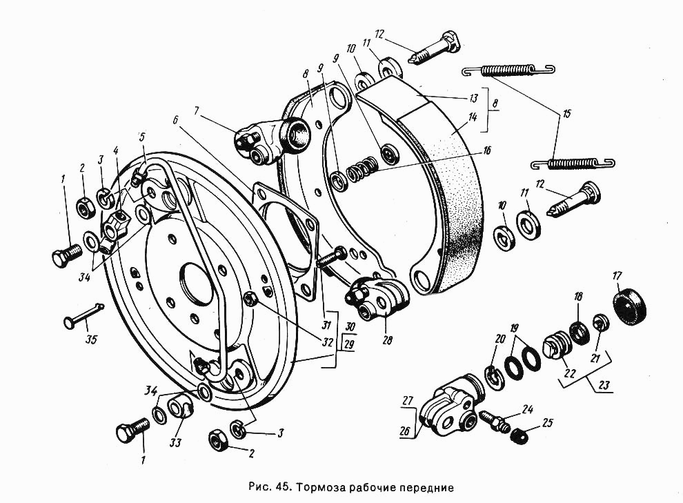
Тормоза рабочие передние
| Метка | Каталожный номер | Наименование детали | Наличие | ||||||||||||||||||||||||||||
|---|---|---|---|---|---|---|---|---|---|---|---|---|---|---|---|---|---|---|---|---|---|---|---|---|---|---|---|---|---|---|---|
| 15 | 12-3501035 | Пружина стяжная колодок тормоза | |||||||||||||||||||||||||||||
|
|||||||||||||||||||||||||||||||
| 5 | 12-3501085 | Трубка соединительная в сборе | |||||||||||||||||||||||||||||
|
|||||||||||||||||||||||||||||||
| 19 | 24-10-3501051 | Кольцо уплотнительное поршня колесного цилиндра тормоза | |||||||||||||||||||||||||||||
|
|||||||||||||||||||||||||||||||
| 17 | 24-3501058 | Колпак защитный | |||||||||||||||||||||||||||||
|
|||||||||||||||||||||||||||||||
| 24 | 53-3501048 | Клапан прокачки колесного цилиндра | |||||||||||||||||||||||||||||
|
|||||||||||||||||||||||||||||||
