Торговая марка
основана в 1994 году

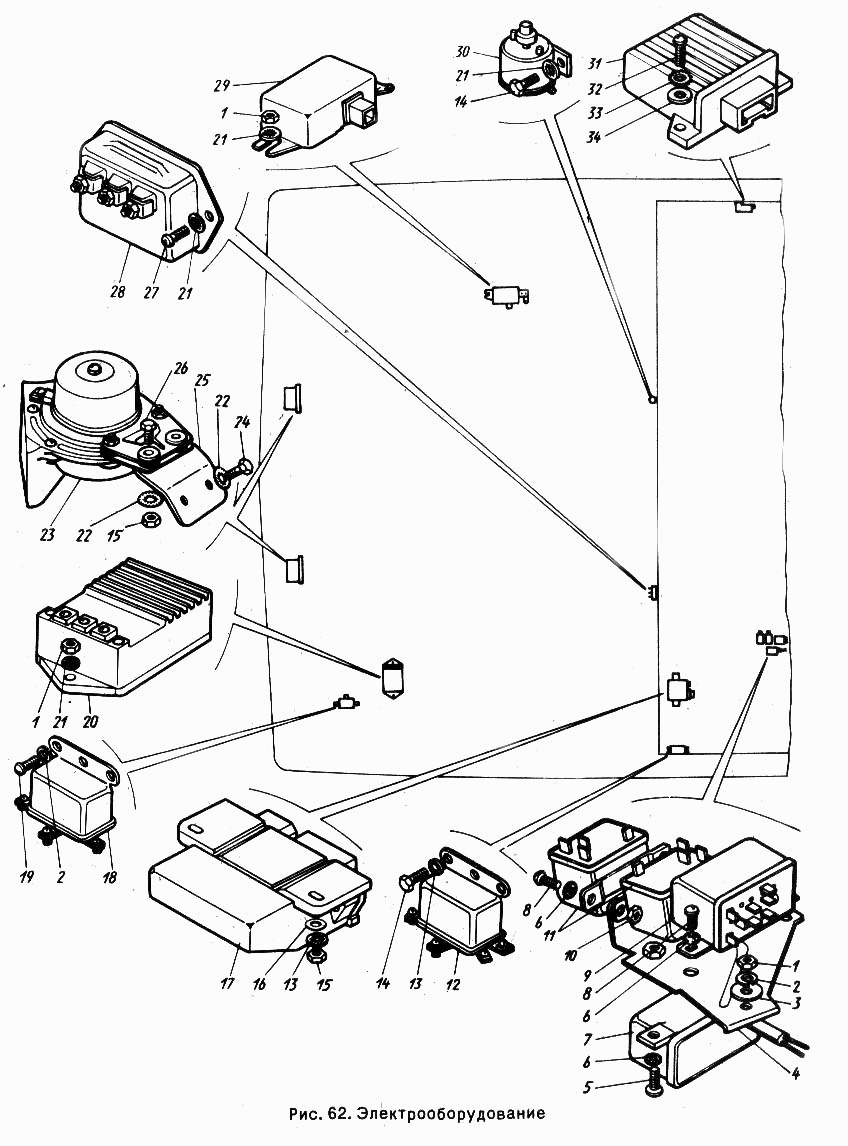
Электрооборудование

Электрооборудование
Метка Каталожный номер Наименование детали Наличие
9 14-3711360 Реле переключения фар РС711
Фото Артикул Наименование Модель Ед. Наличие Цена в магазине сегодня Цена интернет магазина
реле переключения фар "ЭМИ" г.Пенза Волга Газ-31029,3110,31105  77.3777 00000027266 реле переключения фар "ЭМИ" г.Пенза Волга Газ-31029,3110,31105 77.3777 Г-3110 шт 313₽ 288₽
В корзину
реле света РС711 00000053800 реле света РС711 Г-3110 518₽ 484₽
В корзину
28 1402.3729000 Резистор добавочный
Фото Артикул Наименование Модель Ед. Наличие Цена в магазине сегодня Цена интернет магазина
резистор добавочный "СОАТЭ" г.Ст.Оскол Волга Газ-2410,31029 1402.3729000 00000013262 резистор добавочный "СОАТЭ" г.Ст.Оскол Волга Газ-2410,31029 1402.3729000 Г24-10 шт 351₽ 322₽
В корзину
12 53-3708250-20 Реле стартера РС507Б-Э
Фото Артикул Наименование Модель Ед. Наличие Цена в магазине сегодня Цена интернет магазина
реле стартера "КЗАЭ" г.Калуга Волга,Газ-53 РС507 00000053806 реле стартера "КЗАЭ" г.Калуга Волга,Газ-53 РС507 Волга шт 246₽ 230₽
Нет в наличии