Торговая марка
основана в 1994 году

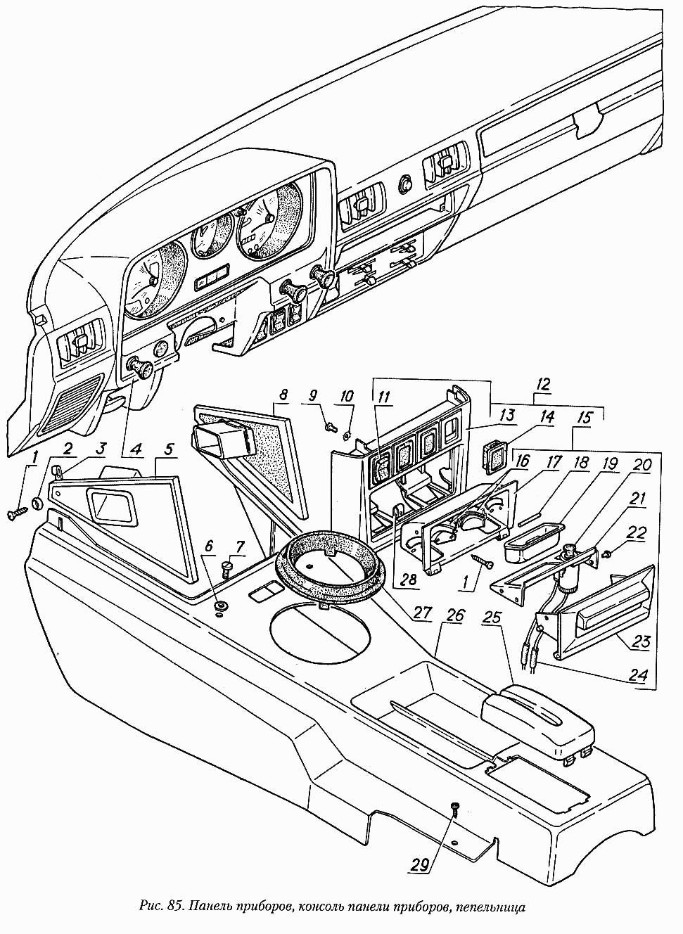
Панель приборов, консоль панели приборов, пепельница

Панель приборов, консоль панели приборов, пепельница