Торговая марка
основана в 1994 году

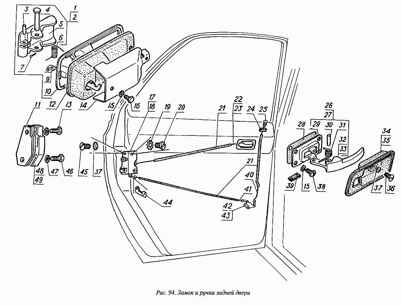
Замок и ручки задней двери

Замок и ручки задней двери