Торговая марка
основана в 1994 году

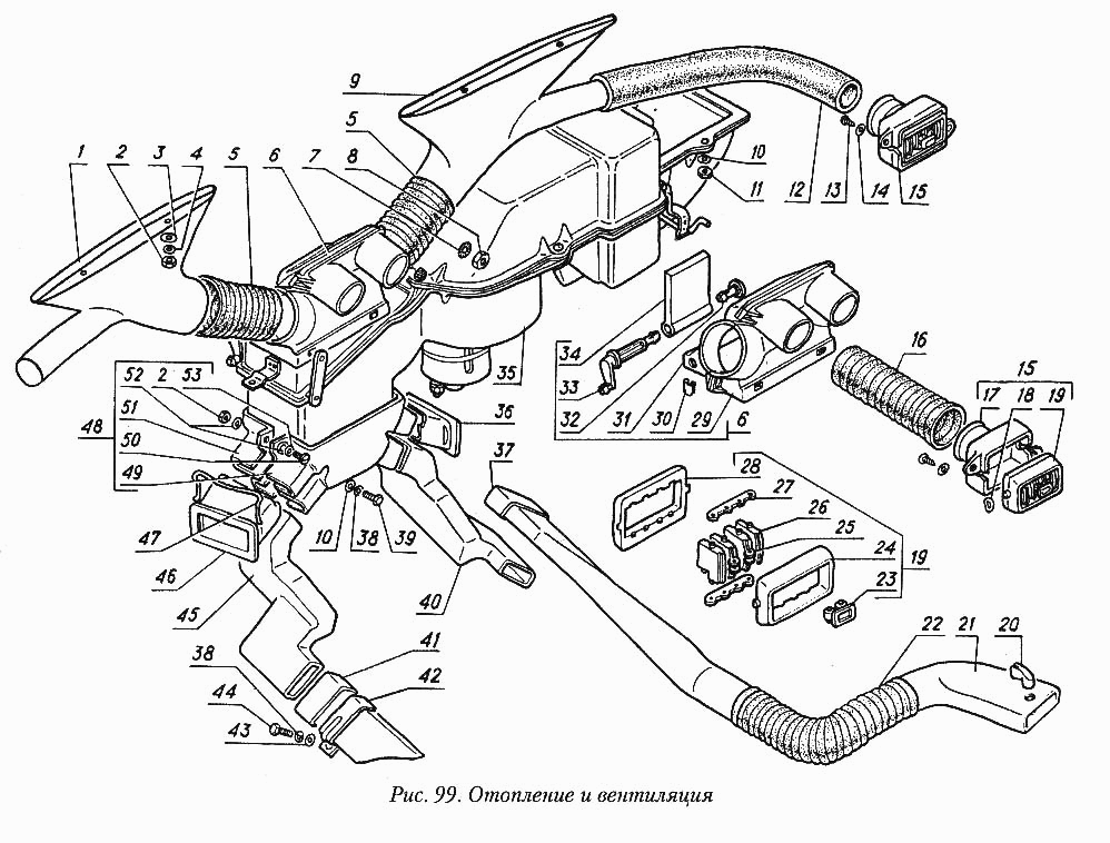
Отопление и вентиляция

Отопление и вентиляция