Торговая марка
основана в 1994 году

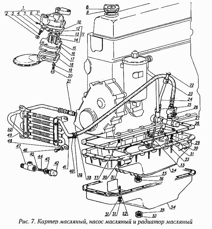
Картер масляный, насос масляный и радиатор масляный

Картер масляный, насос масляный и радиатор масляный
Метка Каталожный номер Наименование детали Наличие
36 14-1009035 Пробка М18х1,5-6g
Фото Артикул Наименование Модель Ед. Наличие Цена интернет магазина
пробка масляного картера "ЗМЗ" Волга,Газель ЗМЗ-406,405 296494-629 00000017336 пробка масляного картера "ЗМЗ" Волга,Газель ЗМЗ-406,405 296494-629 Г-406 шт 49₽
В корзину
28 24-1009070 Прокладка масляного картера
Фото Артикул Наименование Модель Ед. Наличие Цена интернет магазина
прокладка масляного картера резинопробковая "БРТ" Волга,Газель,УАЗ ЗМЗ-402 00000017455 прокладка масляного картера резинопробковая "БРТ" Волга,Газель,УАЗ ЗМЗ-402 Г-24 шт 73₽
В корзину
прокладка масляного картера пробковая "Саморим" г.Кинель Волга,Газель,УАЗ ЗМЗ-402 00000017469 прокладка масляного картера пробковая "Саморим" г.Кинель Волга,Газель,УАЗ ЗМЗ-402 Г24 шт 101₽
В корзину
17 24-1011070-10 Прокладка приемного патрубка
Фото Артикул Наименование Модель Ед. Наличие Цена интернет магазина
прокладка м/насоса 00000059505 прокладка м/насоса Г24 3₽
В корзину
52 291732-П2 Шпилька М8х1-4hх14
Фото Артикул Наименование Модель Ед. Наличие Цена интернет магазина
шпилька поддона М8х1-4hх14 00000020772 шпилька поддона М8х1-4hх14 шт 7₽
В корзину
53 296494-П8 Пробка М18х1,5х12
Фото Артикул Наименование Модель Ед. Наличие Цена интернет магазина
пробка М18х1,5х12 масляного картера "ЗМЗ" Волга,Газель ЗМЗ-402 00000023584 пробка М18х1,5х12 масляного картера "ЗМЗ" Волга,Газель ЗМЗ-402 Волга шт 50₽
В корзину
пробка поддона магнитная Волга 00000059447 пробка поддона магнитная Волга Волга шт 202₽
Нет в наличии
9 51А-1002159 Прокладка крышки
Фото Артикул Наименование Модель Ед. Наличие Цена интернет магазина
прокладка крышки маслозаливной горловины "РТИ" Волга,Газель,УАЗ,Газ-53,3307 00000023605 прокладка крышки маслозаливной горловины "РТИ" Волга,Газель,УАЗ,Газ-53,3307 Г-402 шт 6₽
В корзину
26 Г-51-1013140-02 Краник ПП6-1
Фото Артикул Наименование Модель Ед. Наличие Цена интернет магазина
кран масляный в сборе Волга,Газель Г-51-1013140-02 ООО"ЛМЗ "СТАРТ" г.Арзамас 00000015100 кран масляный в сборе Волга,Газель Г-51-1013140-02 ООО"ЛМЗ "СТАРТ" г.Арзамас Г-402 шт 275₽
В корзину