Торговая марка
основана в 1994 году

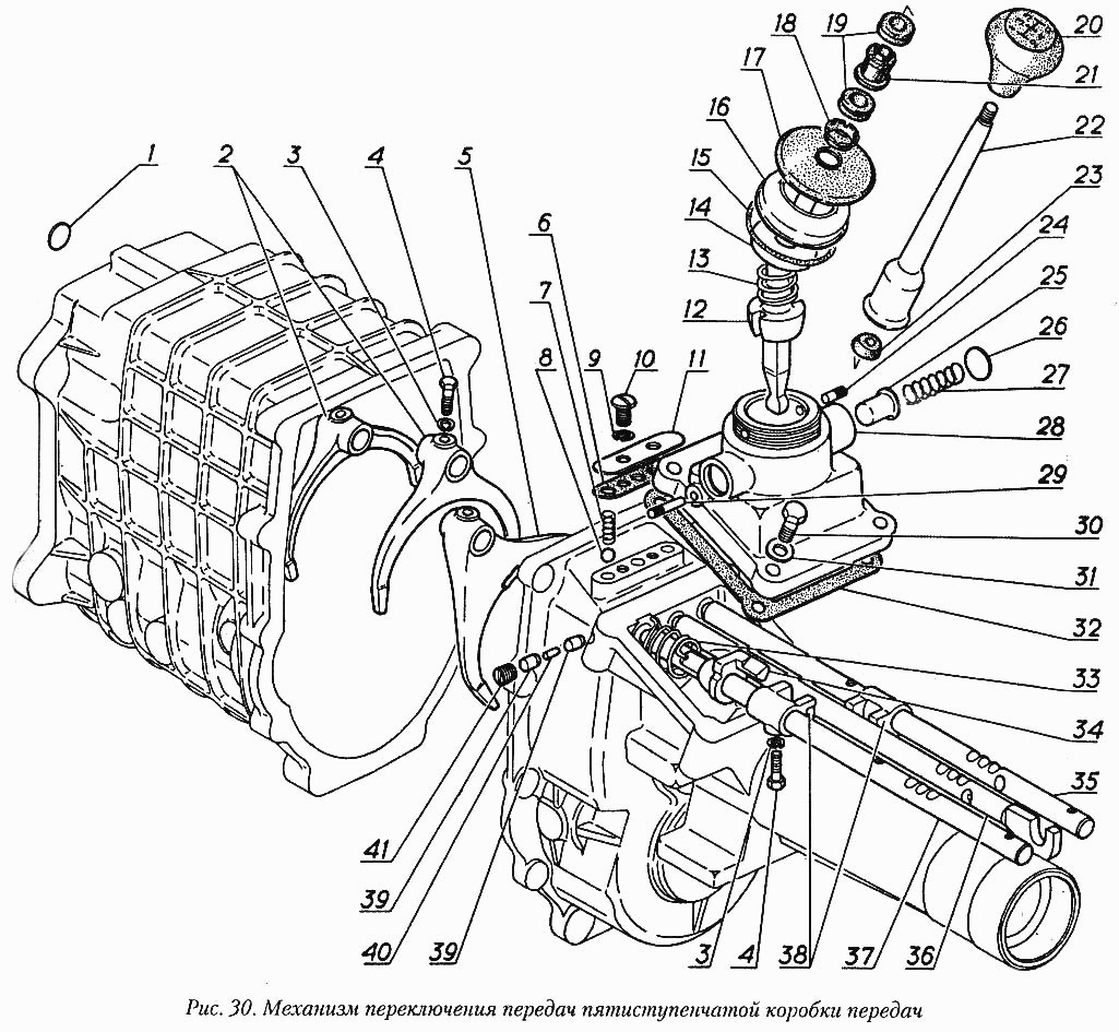
Механизм переключения передач пятиступенчатой коробки передач

Механизм переключения передач пятиступенчатой коробки передач
Метка Каталожный номер Наименование детали Наличие
1 260305-П Заглушка 16 ОСТ 37.001.173-82
Фото Артикул Наименование Модель Ед. Наличие Цена интернет магазина
заглушка 16 ОСТ 37.001.173-82 переднего картера 5-ти ступенчатой КПП  Волга,Газель 260305-П 00000014124 заглушка 16 ОСТ 37.001.173-82 переднего картера 5-ти ступенчатой КПП Волга,Газель 260305-П 5-ст шт 2₽
В корзину
26 260307-П Заглушка 20
Фото Артикул Наименование Модель Ед. Наличие Цена интернет магазина
заглушка крышки КПП 00000058963 заглушка крышки КПП 5-ст 5₽
В корзину
39 31029-1702080 Плунжер стопорный штоков
Фото Артикул Наименование Модель Ед. Наличие Цена интернет магазина
Плунжер стопорный штоков 5стКПП  Волга,Газель 00000016751 Плунжер стопорный штоков 5стКПП Волга,Газель 5стКПП шт 69₽
В корзину
39 31029-1702080 Плунжер стопорный штоков
Фото Артикул Наименование Модель Ед. Наличие Цена интернет магазина
Плунжер стопорный штоков 5стКПП  Волга,Газель 00000016751 Плунжер стопорный штоков 5стКПП Волга,Газель 5стКПП шт 69₽
В корзину
20 31029-1702159 Рукоятка рычага переключения передач в сборе
Фото Артикул Наименование Модель Ед. Наличие Цена интернет магазина
рукоятка рычага переключения передач Волга,Газель Н.Новгород 00000018628 рукоятка рычага переключения передач Волга,Газель Н.Новгород ГАЗ шт 62₽
В корзину