Торговая марка
основана в 1994 году

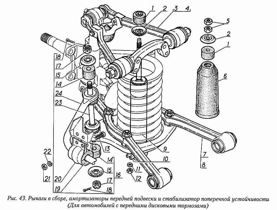
Рычаги в сборе, амортизаторы передней подвески и стабилизатор поперечной устойчивости (для автомобилей с передними дисковыми тор

Рычаги в сборе, амортизаторы передней подвески и стабилизатор поперечной устойчивости (для автомобилей с передними дисковыми тор
Метка Каталожный номер Наименование детали Наличие
19 20-2906040 Подушка штанги стабилизатора передней подвески
Фото Артикул Наименование Модель Ед. Наличие Цена интернет магазина
подушка штанги стабилизатора передней подвески Волга Газ-2410,31029,3110 20-2906040 "РТИ" г.Чайковский 00000028340 подушка штанги стабилизатора передней подвески Волга Газ-2410,31029,3110 20-2906040 "РТИ" г.Чайковский Волга шт 104₽
В корзину
13 201478-П29 Болт М8х1-6gх25
Фото Артикул Наименование Модель Ед. Наличие Цена интернет магазина
болт крепления шаровой опоры нижний  г.Белебей Волга Газ-31105 201478-П29 00000013147 болт крепления шаровой опоры нижний г.Белебей Волга Газ-31105 201478-П29 Волга шт 7₽
В корзину
1 21-2905460 Подушка крепления амортизаторов
Фото Артикул Наименование Модель Ед. Наличие Цена интернет магазина
подушка крепления амортизатора РТИ Волга 00000016890 подушка крепления амортизатора РТИ Волга Волга шт 16₽
В корзину
1 21-2905460 Подушка крепления амортизаторов
Фото Артикул Наименование Модель Ед. Наличие Цена интернет магазина
подушка крепления амортизатора РТИ Волга 00000016890 подушка крепления амортизатора РТИ Волга Волга шт 16₽
В корзину
14 24-2906078 Подушка верхнего конца стойки стабилизатора
Фото Артикул Наименование Модель Ед. Наличие Цена интернет магазина
подушка стойки переднего стабилизатора РТИ Волга 00000016933 подушка стойки переднего стабилизатора РТИ Волга Волга шт 13₽
В корзину
14 24-2906078 Подушка верхнего конца стойки стабилизатора
Фото Артикул Наименование Модель Ед. Наличие Цена интернет магазина
подушка стойки переднего стабилизатора РТИ Волга 00000016933 подушка стойки переднего стабилизатора РТИ Волга Волга шт 13₽
В корзину
21 250511-П29 Гайка М8х1-6Н ОСТ 37.001.124-93
Фото Артикул Наименование Модель Ед. Наличие Цена интернет магазина
Гайка М8*1,0 БелЗАН-САК. 00000013565 Гайка М8*1,0 БелЗАН-САК. шт 2₽
В корзину
9 3102-2905004-10 Амортизатор передней подвески с шарниром в сборе
Фото Артикул Наименование Модель Ед. Наличие Цена интернет магазина
амортизатор передней подвески масляный "СААЗ" г.Скопин Волга 3102-2905004 00000012671 амортизатор передней подвески масляный "СААЗ" г.Скопин Волга 3102-2905004 Волга шт 950₽
В корзину
амортиз.пер.газ/Грод 00000058787 амортиз.пер.газ/Грод Волга 1348₽
В корзину
амортиз.пер/Арзамас/ 00000058788 амортиз.пер/Арзамас/ Волга 518₽
В корзину
амортиз.перед.газ.AV 00000058789 амортиз.перед.газ.AV Волга 633₽
В корзину
амортизат.пер/Гродно 00000058791 амортизат.пер/Гродно Волга 774₽
В корзину
амортизатор пер. AM 00000058798 амортизатор пер. AM Волга 938₽
В корзину