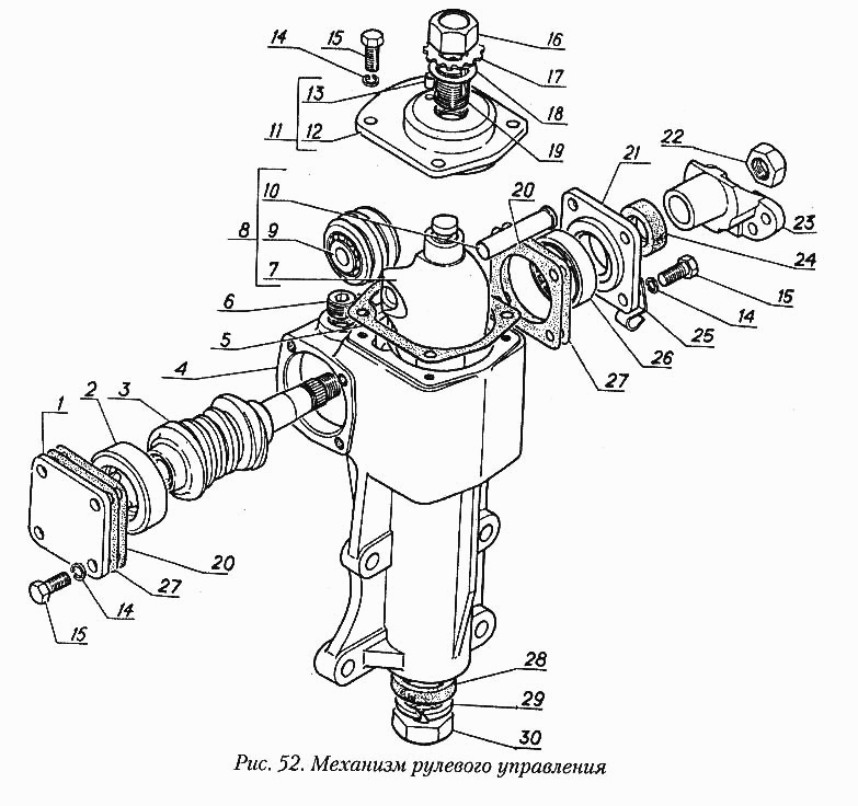
Механизм рулевого управления
| Метка | Каталожный номер | Наименование детали | Наличие | |||||||||||||||||
|---|---|---|---|---|---|---|---|---|---|---|---|---|---|---|---|---|---|---|---|---|
| 28 | 20-3401023-Б | Манжета в сборе | ||||||||||||||||||
| 22 | 250636-П29 | Гайка М16х1,5-6Н ОСТ 37.001.124-93 | ||||||||||||||||||
|
||||||||||||||||||||
| 6 | 296576-П29 | Пробка КГ1/2" | ||||||||||||||||||
|
||||||||||||||||||||
