Торговая марка
основана в 1994 году

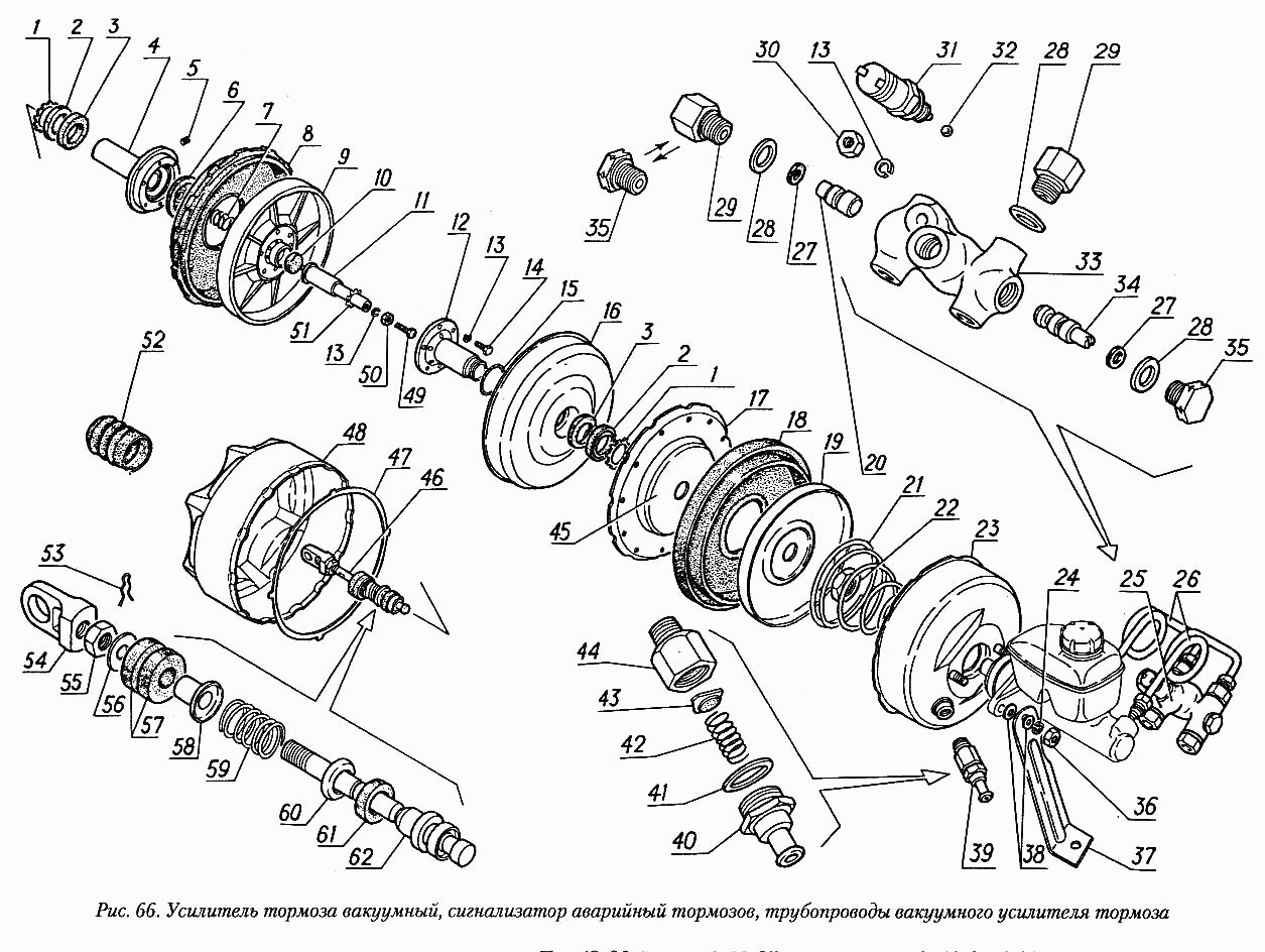
Усилитель тормозов вакуумный, сигнализатор аварийный тормозов, трубопроводы вакуумного усилителя тормоза

Усилитель тормозов вакуумный, сигнализатор аварийный тормозов, трубопроводы вакуумного усилителя тормоза
Метка Каталожный номер Наименование детали Наличие
29 24-3546012 Штуцер соединительный
Фото Артикул Наименование Модель Ед. Наличие Цена интернет магазина
штуцер соединительный тормозной трубки и цилиндра  Газель 00000016607 штуцер соединительный тормозной трубки и цилиндра Газель ГАЗЕЛЬ шт 23₽
В корзину
29 24-3546012 Штуцер соединительный
Фото Артикул Наименование Модель Ед. Наличие Цена интернет магазина
штуцер соединительный тормозной трубки и цилиндра  Газель 00000016607 штуцер соединительный тормозной трубки и цилиндра Газель ГАЗЕЛЬ шт 23₽
В корзину