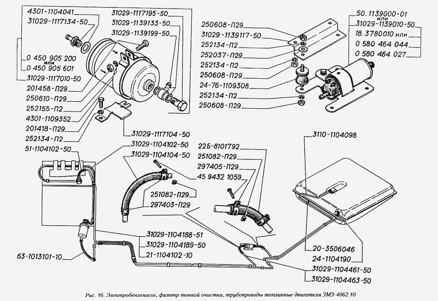
Электробензонасос, фильтр тонкой очистки, трубопроводы топливные двигателя ЗМЗ-4062.10
| Метка | Каталожный номер | Наименование детали | Наличие | |||||||||||||||||||||||||||||||||
|---|---|---|---|---|---|---|---|---|---|---|---|---|---|---|---|---|---|---|---|---|---|---|---|---|---|---|---|---|---|---|---|---|---|---|---|---|
| 31029-1117134-50 | 31029-1117134-50 | Штуцер фильтра | ||||||||||||||||||||||||||||||||||
|
||||||||||||||||||||||||||||||||||||
| 50.1139000-01 | 50.1139000-01 | Электробензонасос в сборе | ||||||||||||||||||||||||||||||||||
|
||||||||||||||||||||||||||||||||||||

