Торговая марка
основана в 1994 году

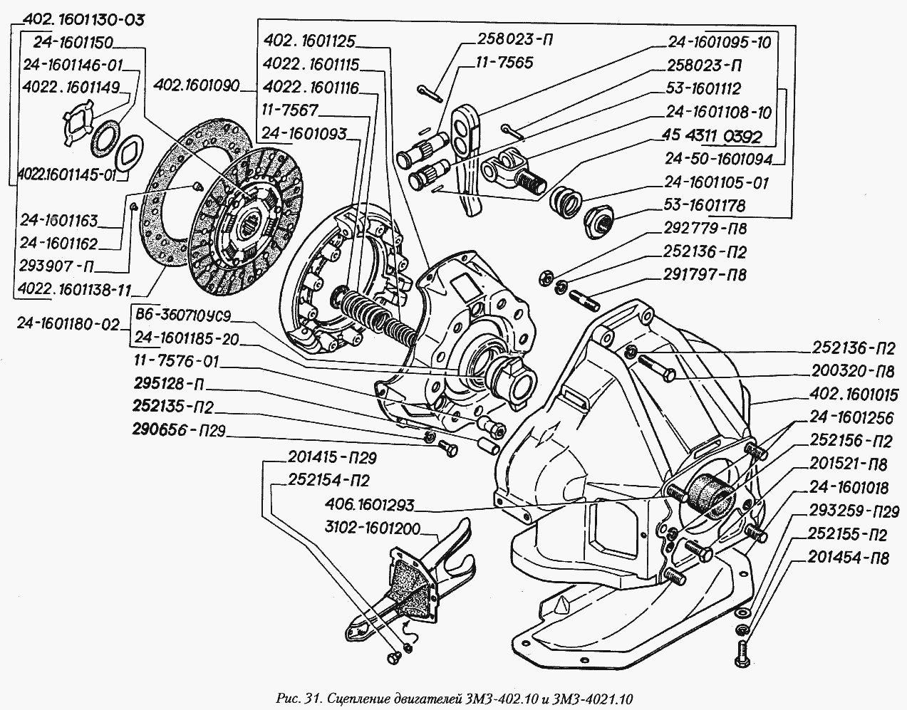
Сцепление двигателей ЗМЗ-402.10 и ЗМЗ-4021.10

Сцепление двигателей ЗМЗ-402.10 и ЗМЗ-4021.10
Метка Каталожный номер Наименование детали Наличие
11-7576-01 11-7576-01 Опора вилки выключения сцепления
Фото Артикул Наименование Модель Ед. Наличие Цена интернет магазина
опора вилки выключения сцепления  Волга,Газель ЗМЗ-402,4021,4025,4026 11-7576-01 00000012965 опора вилки выключения сцепления Волга,Газель ЗМЗ-402,4021,4025,4026 11-7576-01 Г-402 шт 53₽
В корзину
24-1601180-02 24-1601180-02 Муфта выключения сцепления с подшипником
Фото Артикул Наименование Модель Ед. Наличие Цена интернет магазина
муфта выключения сцепления с подшипником  Волга,Газель 3110-1601180 00000017004 муфта выключения сцепления с подшипником Волга,Газель 3110-1601180 Г-3110 шт 1502₽
В корзину
муфта выключения сцепления с подшипником "HOLA" Волга,Газель . 00000045108 муфта выключения сцепления с подшипником "HOLA" Волга,Газель . Г-3110 шт 977₽
В корзину
3102-1601200 3102-1601200 Вилка сцепления в сборе
Фото Артикул Наименование Модель Ед. Наличие Цена интернет магазина
вилка сцепления в сборе "Детали Машин Газ"  Волга,Газель ЗМЗ-402,4021,4025,4026 11-7514 00000013299 вилка сцепления в сборе "Детали Машин Газ" Волга,Газель ЗМЗ-402,4021,4025,4026 11-7514 ГАЗ шт 402₽
В корзину