Торговая марка
основана в 1994 году

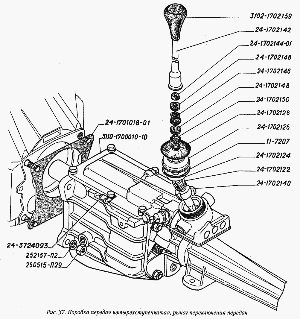
Коробка передач четырехступенчатая, рычаг переключения передач

Коробка передач четырехступенчатая, рычаг переключения передач