Торговая марка
основана в 1994 году

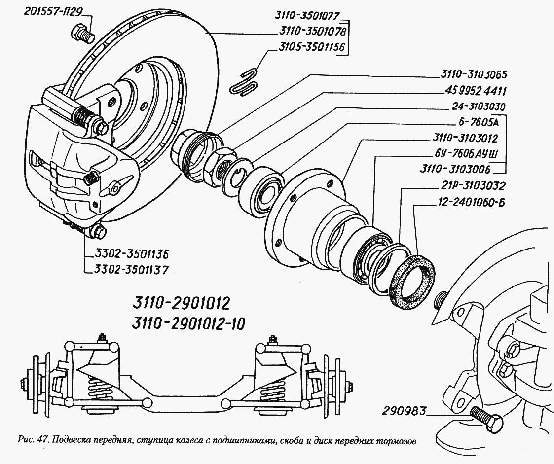
Подвеска передняя, ступица колеса с подшипниками, скоба и диск передних тормозов

Подвеска передняя, ступица колеса с подшипниками, скоба и диск передних тормозов
Метка Каталожный номер Наименование детали Наличие
12-2401060-Б 12-2401060-Б Сальник внутренний подшипника полуоси заднего моста с пружиной в сборе
Фото Артикул Наименование Модель Ед. Наличие Цена интернет магазина
Сальник полуоси и ступицы передней Волга "РТИ" г.Балаково 00000018808 Сальник полуоси и ступицы передней Волга "РТИ" г.Балаково Волга шт 63₽
В корзину
Сальник полуоси и ступицы передней Волга "Corteco" Италия 00000018809 Сальник полуоси и ступицы передней Волга "Corteco" Италия Волга шт 171₽
В корзину
24-3103030 24-3103030 Шайба упорная наружного подшипника ступицы переднего колеса
Фото Артикул Наименование Модель Ед. Наличие Цена интернет магазина
шайба упорная наружного подшипника ступицы переднего колеса  Волга,Газель 00000020469 шайба упорная наружного подшипника ступицы переднего колеса Волга,Газель Волга шт 32₽
В корзину
3110-3501077 3110-3501077 Диск переднего тормоза с балансировочными пружинами
Фото Артикул Наименование Модель Ед. Наличие Цена интернет магазина
диск переднего тормоза  Волга Газ-3110,31105 3110-3501077 00000023016 диск переднего тормоза Волга Газ-3110,31105 3110-3501077 Г-3110 шт 2171₽
Нет в наличии
3302-3501136 3302-3501136 Скоба дискового тормоза правая в сборе
Фото Артикул Наименование Модель Ед. Наличие Цена интернет магазина
скоба переднего дискового тормоза правая  Газель 00000019361 скоба переднего дискового тормоза правая Газель ГАЗЕЛЬ шт 5763₽
В корзину
3302-3501137 3302-3501137 Скоба дискового тормоза левая в сборе
Фото Артикул Наименование Модель Ед. Наличие Цена интернет магазина
скоба переднего дискового тормоза левая  Газель 00000019359 скоба переднего дискового тормоза левая Газель ГАЗЕЛЬ шт 5394₽
В корзину
45 9952 4411 45 9952 4411 Гайка М24х1,5
Фото Артикул Наименование Модель Ед. Наличие Цена интернет магазина
гайка поворотного кулака "Красная Этна" г.Н.Новгород Волга,Газель 45 9952 4411 00000013581 гайка поворотного кулака "Красная Этна" г.Н.Новгород Волга,Газель 45 9952 4411 ГАЗ шт 101₽
В корзину
6У-7606АУШ 6У-7606АУШ Подшипник (31029-2402025)
Фото Артикул Наименование Модель Ед. Наличие Цена интернет магазина
подшипник ведущей шестерни заднего моста UBP 7606 Волга 00000017103 подшипник ведущей шестерни заднего моста UBP 7606 Волга Волга шт 850₽
В корзину