Торговая марка
основана в 1994 году

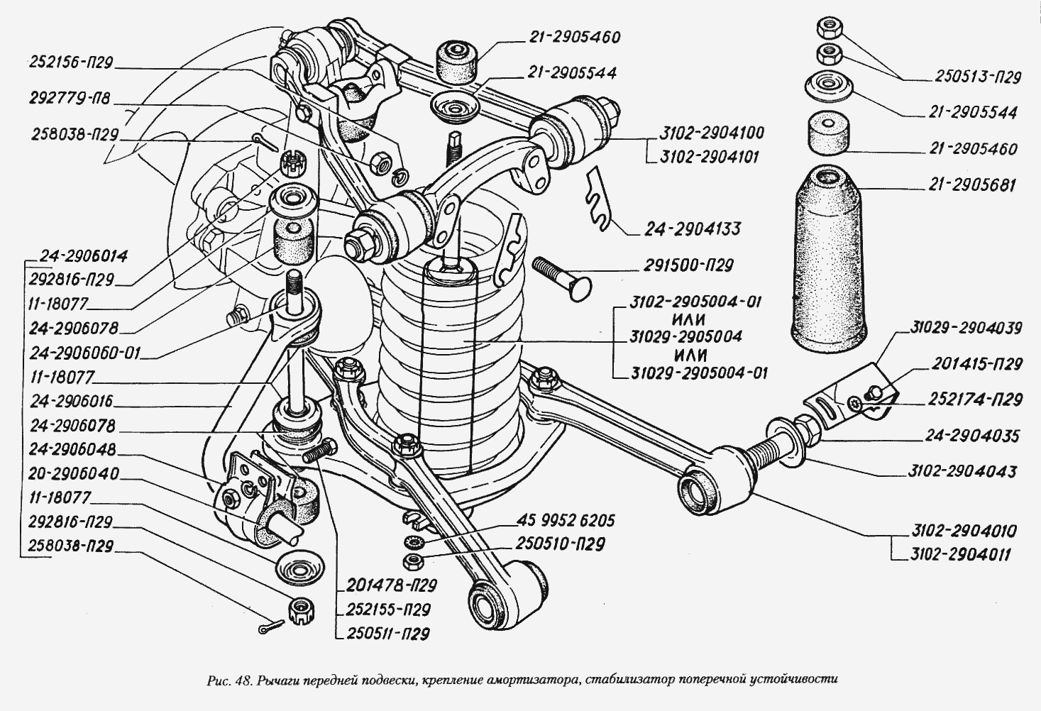
Рычаги передней подвески, крепление амортизатора, стабилизатор поперечной устойчивости

Рычаги передней подвески, крепление амортизатора, стабилизатор поперечной устойчивости
Метка Каталожный номер Наименование детали Наличие
20-2906040 20-2906040 Подушка штанги стабилизатора передней подвески
Фото Артикул Наименование Модель Ед. Наличие Цена интернет магазина
подушка штанги стабилизатора передней подвески Волга Газ-2410,31029,3110 20-2906040 "РТИ" г.Чайковский 00000028340 подушка штанги стабилизатора передней подвески Волга Газ-2410,31029,3110 20-2906040 "РТИ" г.Чайковский Волга шт 104₽
В корзину
201478-П29 201478-П29 Болт М8х1-6gх25
Фото Артикул Наименование Модель Ед. Наличие Цена интернет магазина
болт крепления шаровой опоры нижний  г.Белебей Волга Газ-31105 201478-П29 00000013147 болт крепления шаровой опоры нижний г.Белебей Волга Газ-31105 201478-П29 Волга шт 7₽
В корзину
21-2905460 21-2905460 Подушка крепления амортизаторов
Фото Артикул Наименование Модель Ед. Наличие Цена интернет магазина
подушка крепления амортизатора РТИ Волга 00000016890 подушка крепления амортизатора РТИ Волга Волга шт 16₽
В корзину
21-2905460 21-2905460 Подушка крепления амортизаторов
Фото Артикул Наименование Модель Ед. Наличие Цена интернет магазина
подушка крепления амортизатора РТИ Волга 00000016890 подушка крепления амортизатора РТИ Волга Волга шт 16₽
В корзину
24-2904035 24-2904035 Палец оси нижних рычагов
Фото Артикул Наименование Модель Ед. Наличие Цена интернет магазина
палец оси нижних рычагов передней подвески  Волга Газ-2410,31029,3110 24-2904035 00000022867 палец оси нижних рычагов передней подвески Волга Газ-2410,31029,3110 24-2904035 Волга шт 109₽
В корзину
болт нижн.рычага рем 00000058833 болт нижн.рычага рем Волга 52₽
В корзину
24-2904133 24-2904133 Прокладка регулировочная
Фото Артикул Наименование Модель Ед. Наличие Цена интернет магазина
прокладка регулировочная (развала схождения)  Волга Газ-24,2410,31029,3102,3110,31105 00000024048 прокладка регулировочная (развала схождения) Волга Газ-24,2410,31029,3102,3110,31105 Волга шт 3₽
В корзину
24-2906078 24-2906078 Подушка верхнего конца стойки стабилизатора
Фото Артикул Наименование Модель Ед. Наличие Цена интернет магазина
подушка стойки переднего стабилизатора РТИ Волга 00000016933 подушка стойки переднего стабилизатора РТИ Волга Волга шт 13₽
В корзину
24-2906078 24-2906078 Подушка верхнего конца стойки стабилизатора
Фото Артикул Наименование Модель Ед. Наличие Цена интернет магазина
подушка стойки переднего стабилизатора РТИ Волга 00000016933 подушка стойки переднего стабилизатора РТИ Волга Волга шт 13₽
В корзину
250511-П29 250511-П29 Гайка М8х1-6Н ОСТ 37.001.124-93
Фото Артикул Наименование Модель Ед. Наличие Цена интернет магазина
Гайка М8*1,0 БелЗАН-САК. 00000013565 Гайка М8*1,0 БелЗАН-САК. шт 2₽
В корзину
291500-П29 291500-П29 Болт М10х1-6gх55 специальный
Фото Артикул Наименование Модель Ед. Наличие Цена интернет магазина
болт М10х1-6gх55 специальный оси верхнего рычага  г.Белебей Волга Газ-2410,31029,3110 291500-П29 00000022869 болт М10х1-6gх55 специальный оси верхнего рычага г.Белебей Волга Газ-2410,31029,3110 291500-П29 Волга шт 21₽
В корзину
3102-2904043 3102-2904043 Шайба пальца оси нижних рычагов
Фото Артикул Наименование Модель Ед. Наличие Цена интернет магазина
шайба оси нижн.рычаг 00000059867 шайба оси нижн.рычаг Волга 8₽
Нет в наличии
3102-2905004-01 3102-2905004-01 Амортизатор передней подвески
Фото Артикул Наименование Модель Ед. Наличие Цена интернет магазина
амортизатор передней подвески масляный "СААЗ" г.Скопин Волга 3102-2905004 00000012671 амортизатор передней подвески масляный "СААЗ" г.Скопин Волга 3102-2905004 Волга шт 950₽
В корзину
амортиз.пер.газ/Грод 00000058787 амортиз.пер.газ/Грод Волга 1348₽
В корзину
амортиз.пер/Арзамас/ 00000058788 амортиз.пер/Арзамас/ Волга 518₽
В корзину
амортиз.перед.газ.AV 00000058789 амортиз.перед.газ.AV Волга 633₽
В корзину
амортизат.пер/Гродно 00000058791 амортизат.пер/Гродно Волга 774₽
В корзину
амортизатор пер. AM 00000058798 амортизатор пер. AM Волга 938₽
В корзину