Торговая марка
основана в 1994 году

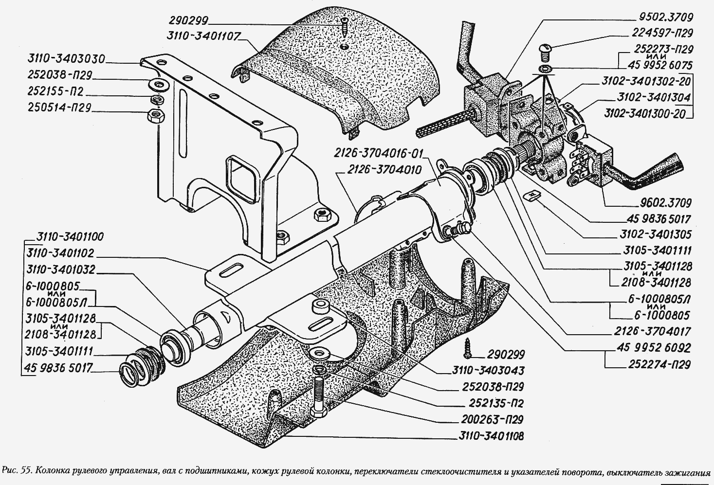
Колонка рулевого управления, вал с подшипниками, кожух рулевой колонки, переключатели стеклоочистителя и указателей поворота, вы

Колонка рулевого управления, вал с подшипниками, кожух рулевой колонки, переключатели стеклоочистителя и указателей поворота, вы
Метка Каталожный номер Наименование детали Наличие
2126-3704010 2126-3704010 Выключатель зажигания
Фото Артикул Наименование Модель Ед. Наличие Цена интернет магазина
выключатель зажигания "Автоарматура" С.Петербург Волга,Газель 2126-3704010 00000014219 выключатель зажигания "Автоарматура" С.Петербург Волга,Газель 2126-3704010 ГАЗЕЛЬ шт 1553₽
В корзину
6-1000805 6-1000805 Подшипник вала рулевой колонки
Фото Артикул Наименование Модель Ед. Наличие Цена интернет магазина
Подшипник вала рулевой колонки UBP 1000805 Волга,Газель 00000017110 Подшипник вала рулевой колонки UBP 1000805 Волга,Газель Г-3110 шт 247₽
В корзину
6-1000805 6-1000805 Подшипник вала рулевой колонки
Фото Артикул Наименование Модель Ед. Наличие Цена интернет магазина
Подшипник вала рулевой колонки UBP 1000805 Волга,Газель 00000017110 Подшипник вала рулевой колонки UBP 1000805 Волга,Газель Г-3110 шт 247₽
В корзину
9502.3709 9502.3709 Переключатель стеклоочистителя (9502.3709000)
Фото Артикул Наименование Модель Ед. Наличие Цена интернет магазина
переключатель с/оч. 00000059321 переключатель с/оч. Г-3110 2070₽
Нет в наличии
9602.3709 9602.3709 Переключатель указателей поворота
Фото Артикул Наименование Модель Ед. Наличие Цена интернет магазина
переключатель указателей поворота Автоарматура Волга Газ-3110 00000053146 переключатель указателей поворота Автоарматура Волга Газ-3110 Г-3110 шт 863₽
Нет в наличии