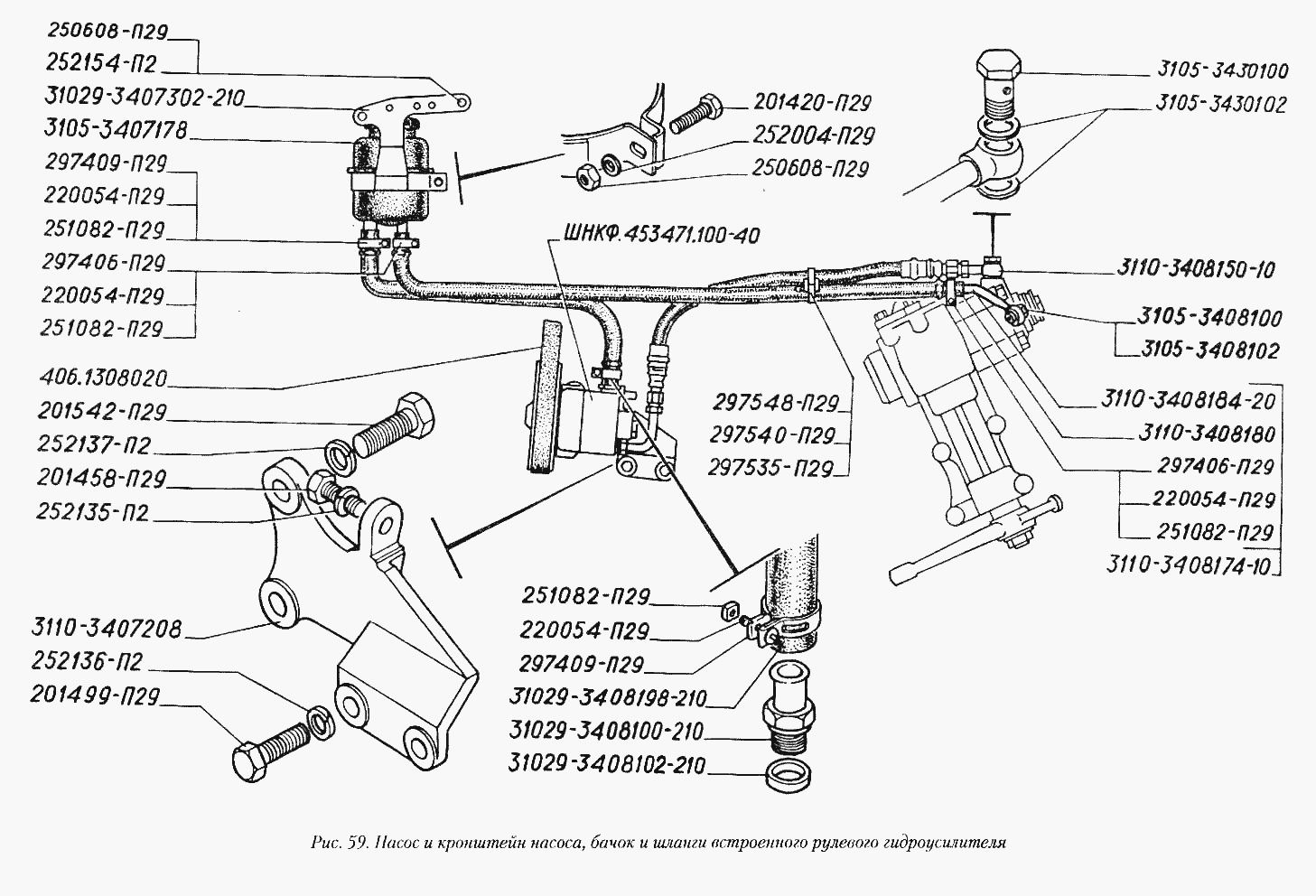
Насос и кронштейн насоса, бачок и шланги встроенного рулевого гидроусилителя
| Метка | Каталожный номер | Наименование детали | Наличие | |||||||||||||||||||||||||
|---|---|---|---|---|---|---|---|---|---|---|---|---|---|---|---|---|---|---|---|---|---|---|---|---|---|---|---|---|
| 3110-3407208 | 3110-3407208 | Кронштейн насоса гидроусилителя | ||||||||||||||||||||||||||
|
||||||||||||||||||||||||||||
| 3110-3408150-10 | 3110-3408150-10 | Шланг нагнетательный гидроусилителя | ||||||||||||||||||||||||||
|
||||||||||||||||||||||||||||
| 406.1308020 | 406.1308020 | Ремень привода агрегатов | ||||||||||||||||||||||||||
|
||||||||||||||||||||||||||||
