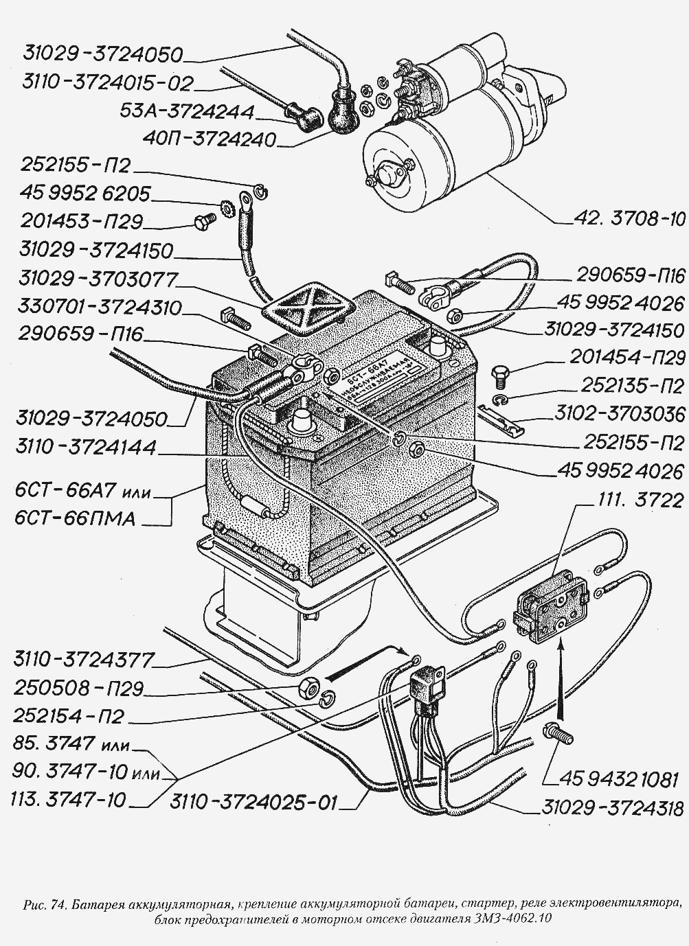
Батарея аккумуляторная, крепление аккумуляторной батареи, стартер, реле электровентилятора, блок предохранителей в моторном отсе
| Метка | Каталожный номер | Наименование детали | Наличие | |||||||||||||||||
|---|---|---|---|---|---|---|---|---|---|---|---|---|---|---|---|---|---|---|---|---|
| 3102-3703036 | 3102-3703036 | Планка крепления аккумуляторной батареи | ||||||||||||||||||
|
||||||||||||||||||||
| 31029-3724318 | 31029-3724318 | Жгут электровентилятора | ||||||||||||||||||
|
||||||||||||||||||||
| 42.3708-10 | 42.3708-10 | Стартер (42.3708000-10) | ||||||||||||||||||
|
||||||||||||||||||||
