Торговая марка
основана в 1994 году

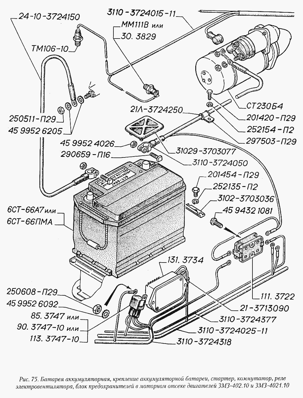
Батарея аккумуляторная, крепление аккумуляторной батареи, стартер, коммутатор, реле электровентилятора, блок предохранителей в м

Батарея аккумуляторная, крепление аккумуляторной батареи, стартер, коммутатор, реле электровентилятора, блок предохранителей в м
Метка Каталожный номер Наименование детали Наличие
250511-П29 250511-П29 Гайка М8х1-6Н ОСТ 37.001.124-93
Фото Артикул Наименование Модель Ед. Наличие Цена интернет магазина
Гайка М8*1,0 БелЗАН-САК. 00000013565 Гайка М8*1,0 БелЗАН-САК. шт 2₽
В корзину
3102-3703036 3102-3703036 Планка крепления аккумуляторной батареи
Фото Артикул Наименование Модель Ед. Наличие Цена интернет магазина
планка крепления аккумуляторной батареи 00000016713 планка крепления аккумуляторной батареи ГАЗ шт 110₽
В корзину