Торговая марка
основана в 1994 году

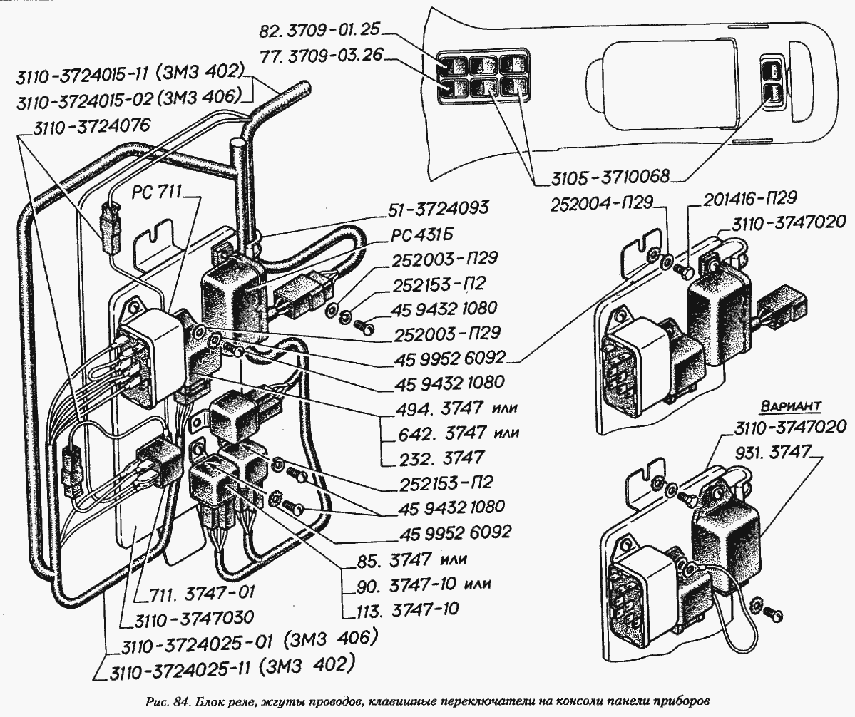
Блок реле, жгуты проводов, клавишные переключатели на консоли панели приборов

Блок реле, жгуты проводов, клавишные переключатели на консоли панели приборов
Метка Каталожный номер Наименование детали Наличие
14-3711360 14-3711360 Реле переключения фар РС711
Фото Артикул Наименование Модель Ед. Наличие Цена интернет магазина
реле переключения фар "ЭМИ" г.Пенза Волга Газ-31029,3110,31105  77.3777 00000027266 реле переключения фар "ЭМИ" г.Пенза Волга Газ-31029,3110,31105 77.3777 Г-3110 шт 288₽
В корзину
реле света РС711 00000053800 реле света РС711 Г-3110 484₽
В корзину
494.3747 494.3747 Прерыватель указателей поворота и аварийной сигнализации
Фото Артикул Наименование Модель Ед. Наличие Цена интернет магазина
прерыватель указателей поворота "Авар" г.Псков Волга,Газель 494.3747 00000018227 прерыватель указателей поворота "Авар" г.Псков Волга,Газель 494.3747 Г-3110 шт 575₽
В корзину
711.3747-01 711.3747-01 Реле стартера (711.3747000-01)
Фото Артикул Наименование Модель Ед. Наличие Цена интернет магазина
реле стартера 30А 24V 00000059589 реле стартера 30А 24V 24V шт 329₽
В корзину
931.3747 931.3747 Реле стеклоочистителя (931.3747000)
Фото Артикул Наименование Модель Ед. Наличие Цена интернет магазина
реле стеклоочистителя "Энергомаш" г.Калуга Волга Газ-3110 721.3777 00000036342 реле стеклоочистителя "Энергомаш" г.Калуга Волга Газ-3110 721.3777 Г-3110 шт 85₽
Нет в наличии