Торговая марка
основана в 1994 году

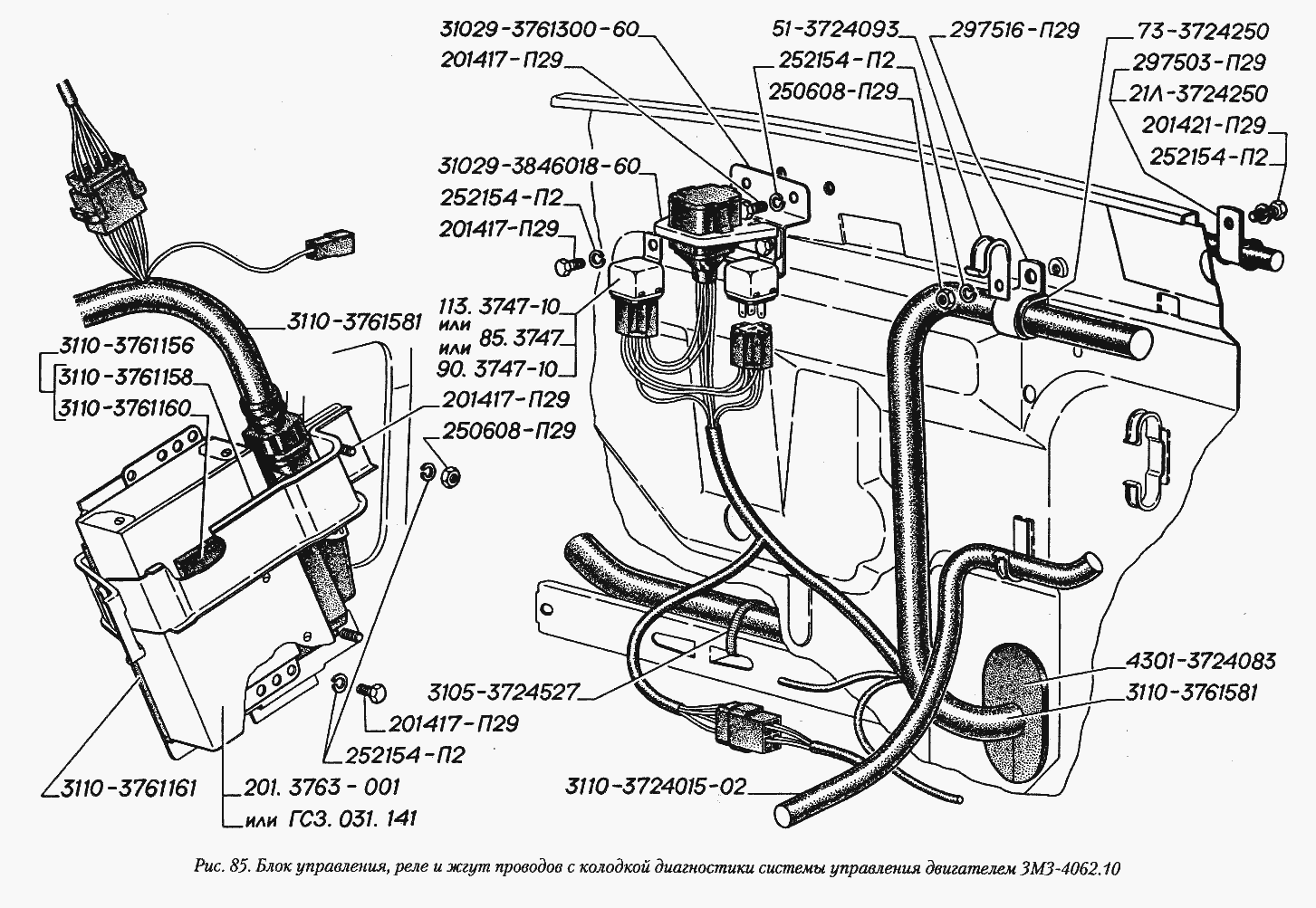
Блок управления, реле и жгут проводов с колодкой диагностики системы управления двигателем ЗМЗ-4062.10

Блок управления, реле и жгут проводов с колодкой диагностики системы управления двигателем ЗМЗ-4062.10