Торговая марка
основана в 1994 году

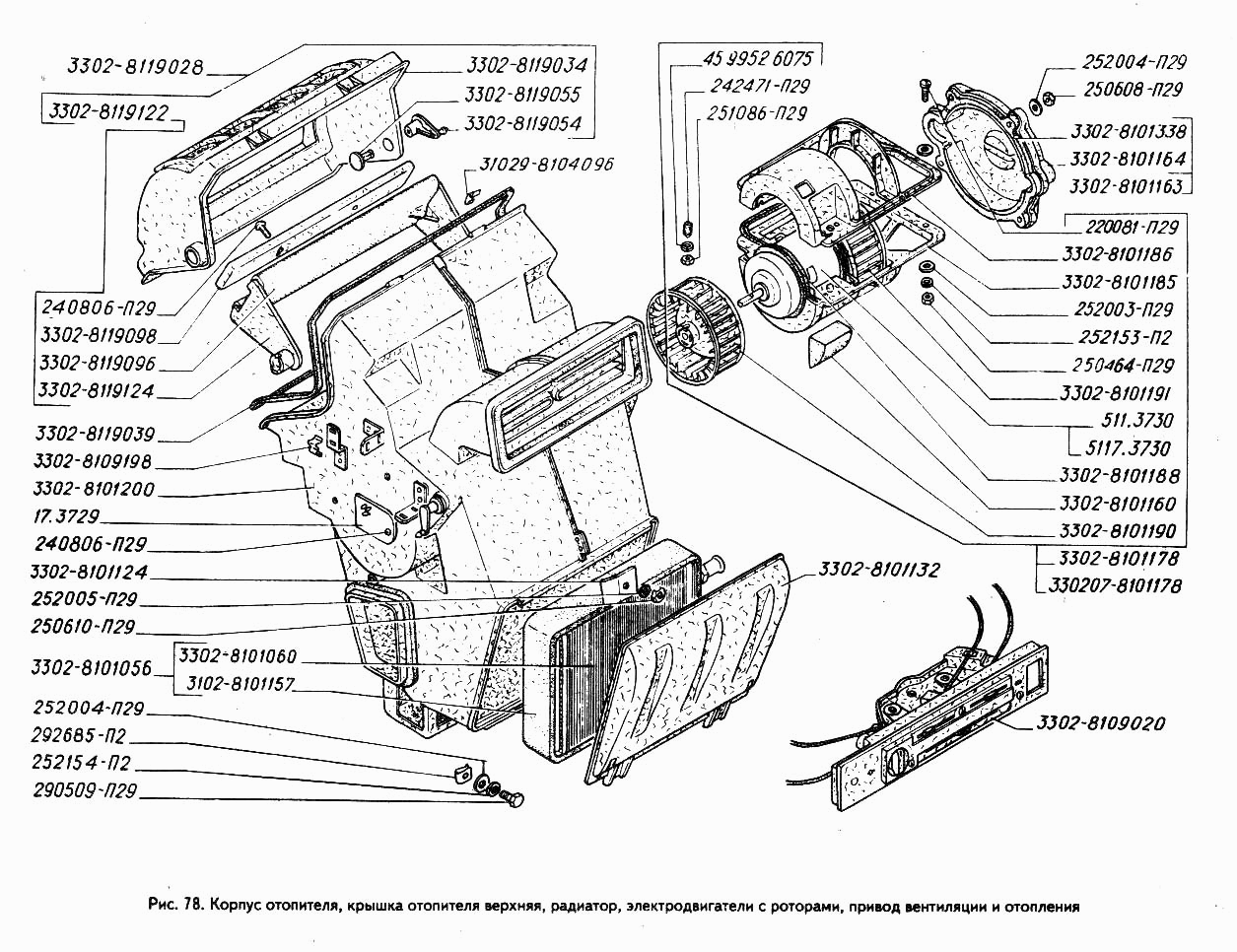
Корпус отопителя, крышка отопителя верхняя, радиатор, электродвигатели с роторами, привод вентиляции и отопления

Корпус отопителя, крышка отопителя верхняя, радиатор, электродвигатели с роторами, привод вентиляции и отопления