Торговая марка
основана в 1994 году

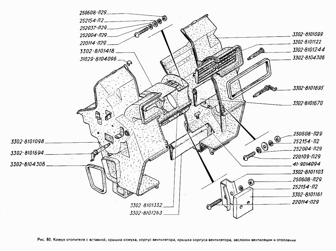
Кожух отопителя с вставкой, крышка кожуха, корпус вентилятора, крышка корпуса вентилятора, заслонки вентиляции и отопления

Кожух отопителя с вставкой, крышка кожуха, корпус вентилятора, крышка корпуса вентилятора, заслонки вентиляции и отопления