Торговая марка
основана в 1994 году

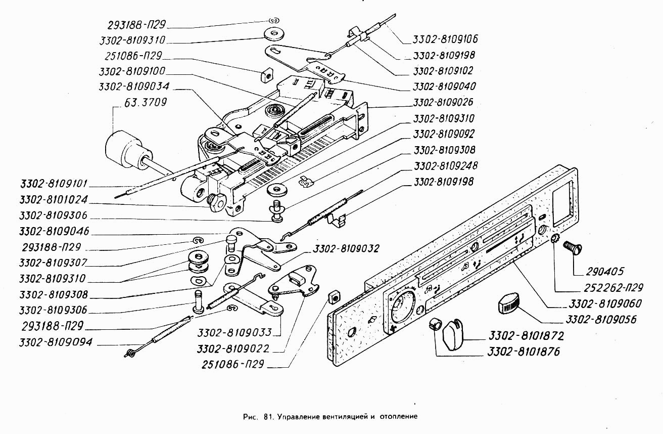
Управление вентиляцией и отоплением

Управление вентиляцией и отоплением