Торговая марка
основана в 1994 году

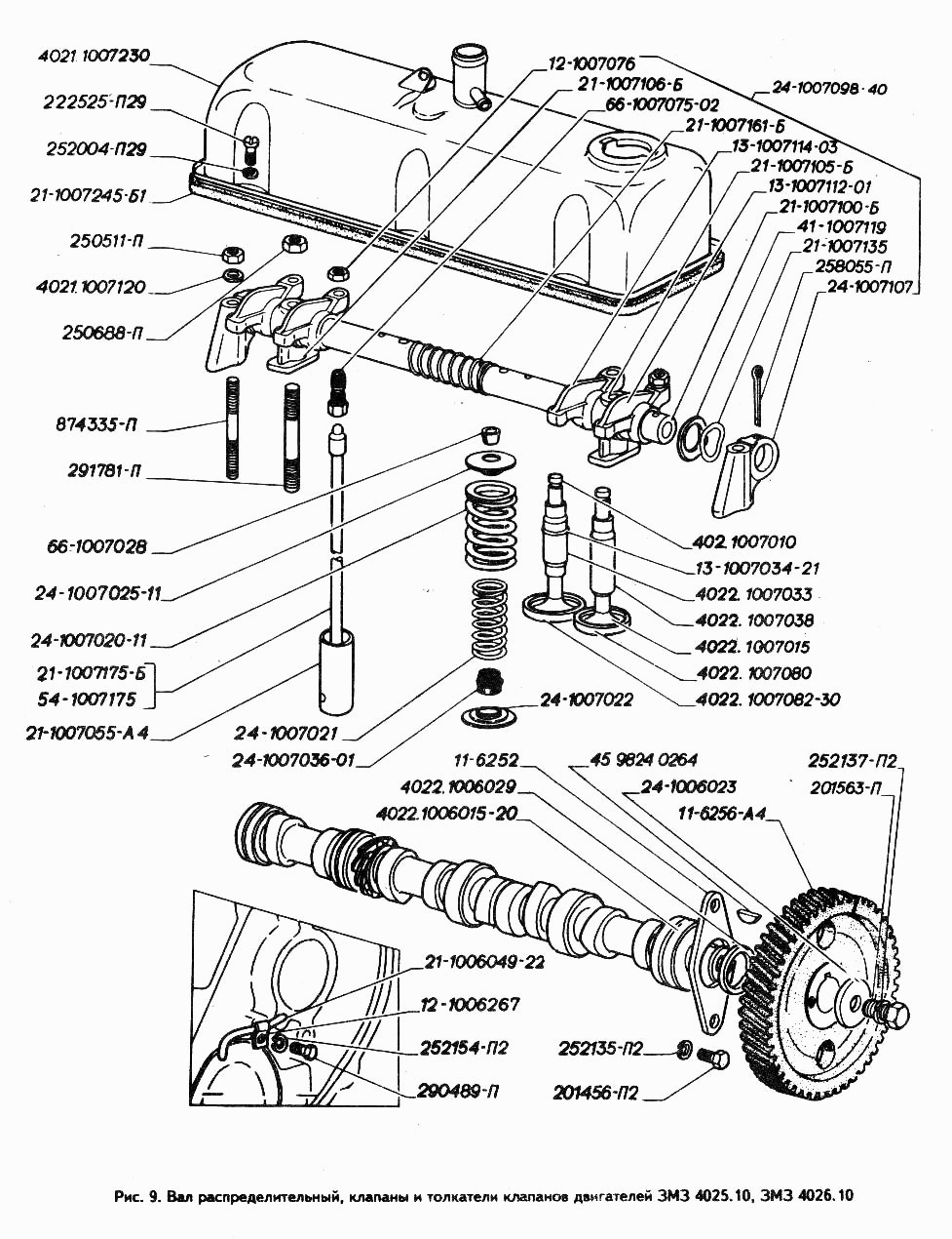
Вал распределительный, клапаны и толкатели клапанов двигателей ЗМЗ 4025.10, ЗМЗ 4026.10

Вал распределительный, клапаны и толкатели клапанов двигателей ЗМЗ 4025.10, ЗМЗ 4026.10
Метка Каталожный номер Наименование детали Наличие
11-6252 11-6252 Фланец упорный распределительного вала
Фото Артикул Наименование Модель Ед. Наличие Цена в магазине сегодня Цена интернет магазина
фланец упорный распределительного вала ЗМЗ-402 "ЗМЗ" 00000020091 фланец упорный распределительного вала ЗМЗ-402 "ЗМЗ" Г-402 шт 160₽ 160₽
В корзину
21-1007055-А4 21-1007055-А4 Толкатель клапана в сборе
Фото Артикул Наименование Модель Ед. Наличие Цена в магазине сегодня Цена интернет магазина
толкатель клапана "Детали машин Газ"  Волга,Газель,УАЗ ЗМЗ-402 00000019459 толкатель клапана "Детали машин Газ" Волга,Газель,УАЗ ЗМЗ-402 Г24 шт 395₽ 364₽
В корзину
21-1007245-Б1 21-1007245-Б1 Прокладка крышки коромысел
Фото Артикул Наименование Модель Ед. Наличие Цена в магазине сегодня Цена интернет магазина
прокладка крышки коромысел пробковая "ЕзАТИ / Кинель" г.Егорьевск. Волга,Газель,УАЗ ЗМЗ-402 00000017425 прокладка крышки коромысел пробковая "ЕзАТИ / Кинель" г.Егорьевск. Волга,Газель,УАЗ ЗМЗ-402 Волга шт 192₽ 177₽
В корзину
прокладка крышки коромысел "силиконовая" Волга,Газель,УАЗ ЗМЗ-402 Н.Новгород 00000017529 прокладка крышки коромысел "силиконовая" Волга,Газель,УАЗ ЗМЗ-402 Н.Новгород Г-402 шт 188₽ 173₽
В корзину
прокладка крышки коромысел резиновая черная "ЯРТИ" г.Ярославль Волга,Газель,УАЗ ЗМЗ-402 00000017536 прокладка крышки коромысел резиновая черная "ЯРТИ" г.Ярославль Волга,Газель,УАЗ ЗМЗ-402 Г24 шт 101₽ 92₽
В корзину
прокладка кл.кр.сил.CS20 00000053556 прокладка кл.кр.сил.CS20 Г-402 305₽ 280₽
Нет в наличии
24-1007025-11 24-1007025-11 Тарелка пружин клапанов
Фото Артикул Наименование Модель Ед. Наличие Цена в магазине сегодня Цена интернет магазина
тарелка клапанов вер 00000059742 тарелка клапанов вер Г402 357₽ 357₽
Нет в наличии
250688-П 250688-П Гайка М10х1-6Н
Фото Артикул Наименование Модель Ед. Наличие Цена в магазине сегодня Цена интернет магазина
гайка М10х1-6Н крепления оси коромысел "Красная Этна" г.Н.Новгород Волга,Газель ЗМЗ-402 250688-П 00000013572 гайка М10х1-6Н крепления оси коромысел "Красная Этна" г.Н.Новгород Волга,Газель ЗМЗ-402 250688-П Г-402 шт 16₽ 12₽
В корзину
291781-П 291781-П Шпилька М10х1-4hх65
Фото Артикул Наименование Модель Ед. Наличие Цена в магазине сегодня Цена интернет магазина
Шпилька оси коромысел большая г.Белебей (М10х1-4hх65) Г-402 Волга,Газель,УАЗ 00000020767 Шпилька оси коромысел большая г.Белебей (М10х1-4hх65) Г-402 Волга,Газель,УАЗ Г-402 шт 32₽ 29₽
В корзину
402.1007010 402.1007010 Клапан впускной
Фото Артикул Наименование Модель Ед. Наличие Цена в магазине сегодня Цена интернет магазина
клапан впускной Волга,Газель ЗМЗ-402 402.1007010 "ЧАМЗ" г.Челябинск 00000014536 клапан впускной Волга,Газель ЗМЗ-402 402.1007010 "ЧАМЗ" г.Челябинск Г-2410 шт 253₽ 237₽
В корзину
клапан впуск"TANAKI" 00000059009 клапан впуск"TANAKI" Г-402 258₽ 241₽
Нет в наличии
4022.1007015 4022.1007015 Клапан выпускной
Фото Артикул Наименование Модель Ед. Наличие Цена в магазине сегодня Цена интернет магазина
клапан выпускной Волга,Газель ЗМЗ-402 4022.1007015 "ЧАМЗ" г.Челябинск 00000023129 клапан выпускной Волга,Газель ЗМЗ-402 4022.1007015 "ЧАМЗ" г.Челябинск Г-2410 шт 676₽ 632₽
В корзину
54-1007175 54-1007175 Штанга толкателя клапана
Фото Артикул Наименование Модель Ед. Наличие Цена в магазине сегодня Цена интернет магазина
штанга толкателя клапана "ЗМЗ" АИ-92 Г54 00000020801 штанга толкателя клапана "ЗМЗ" АИ-92 Г54 Г54 шт 289₽ 265₽
В корзину
66-1007028 66-1007028 Сухарь клапана
Фото Артикул Наименование Модель Ед. Наличие Цена в магазине сегодня Цена интернет магазина
сухарь клапана 00000059736 сухарь клапана Волга 221₽ 207₽
Нет в наличии
66-1007075-02 66-1007075-02 Винт регулировочный клапана
Фото Артикул Наименование Модель Ед. Наличие Цена в магазине сегодня Цена интернет магазина
винт регулировочный клапана "ЗМЗ" ЗМЗ-402,4021,4025,4026 66-1007075-02 00000013119 винт регулировочный клапана "ЗМЗ" ЗМЗ-402,4021,4025,4026 66-1007075-02 Г-402 шт 31₽ 29₽
В корзину