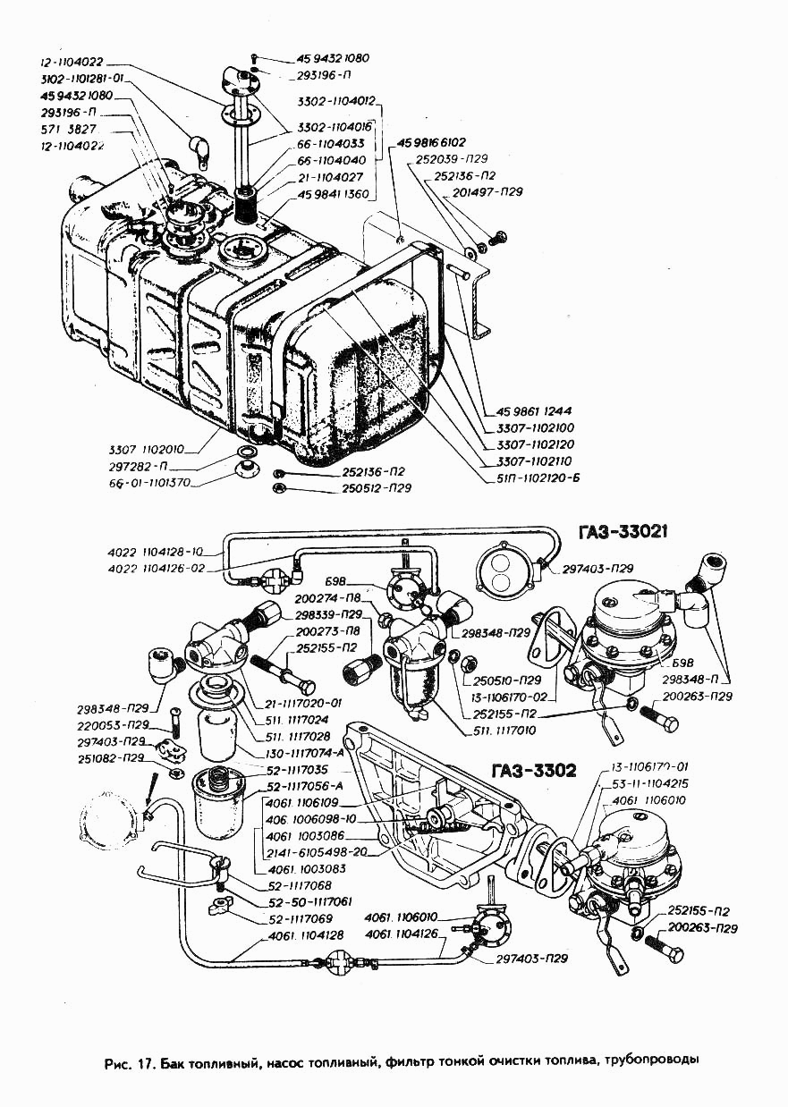
Бак топливный, насос топливный, фильтр тонкой очистки топлива, трубопроводы
| Метка | Каталожный номер | Наименование детали | Наличие | |||||||||||||||||||
|---|---|---|---|---|---|---|---|---|---|---|---|---|---|---|---|---|---|---|---|---|---|---|
| 12-1104022 | 12-1104022 | Прокладка датчика и фланца | ||||||||||||||||||||
|
||||||||||||||||||||||
| 12-1104022 | 12-1104022 | Прокладка датчика и фланца | ||||||||||||||||||||
|
||||||||||||||||||||||
| 13-1106170-02 | 13-1106170-02 | Прокладка между бензиновым насосом и двигателем | ||||||||||||||||||||
|
||||||||||||||||||||||
| 252039-П29 | 252039-П29 | Шайба 10 ОСТ 37.001.144-96 | ||||||||||||||||||||
|
||||||||||||||||||||||
| 3302-1104012 | 3302-1104012 | Трубка заборная | ||||||||||||||||||||
|
||||||||||||||||||||||
| 406.1006098-10 | 406.1006098-10 | Болт башмака натяжителя цепи | ||||||||||||||||||||
|
||||||||||||||||||||||
