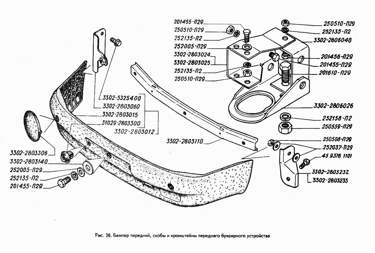
Бампер передний, скобы и кронштейны переднего буксирного устройства
| Метка | Каталожный номер | Наименование детали | Наличие | |||||||||||||||||||
|---|---|---|---|---|---|---|---|---|---|---|---|---|---|---|---|---|---|---|---|---|---|---|
| 250559-П29 | 250559-П29 | Гайка М14х1,5-6Н ОСТ 37.001.124-93 | ||||||||||||||||||||
|
||||||||||||||||||||||
| Метка | Каталожный номер | Наименование детали | Наличие | |||||||||||||||||||
|---|---|---|---|---|---|---|---|---|---|---|---|---|---|---|---|---|---|---|---|---|---|---|
| 250559-П29 | 250559-П29 | Гайка М14х1,5-6Н ОСТ 37.001.124-93 | ||||||||||||||||||||
|
||||||||||||||||||||||
Если у Вас есть замечания или претензии к нашей работе, то просим вас оставлять свои замечания или претензии к нашей работе в форме ниже:
С Вами обязательно свяжутся. Ваше сообщение обязательно будет прочитано собственником и генеральным директором.
Нажимая кнопку «Отправить», я подтверждаю, что я ознакомлен и согласен с условиями политики обработки персональных данных.