Торговая марка
основана в 1994 году

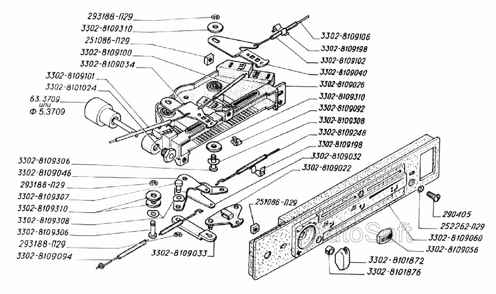
Управление вентиляцией и отоплением (для автомобилей выпуска до 2003 г.)

Управление вентиляцией и отоплением (для автомобилей выпуска до 2003 г.)