Торговая марка
основана в 1994 году

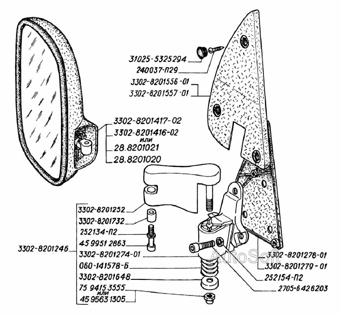
Зеркало заднего вида, стойка зеркала с опорой, кожух опоры

Зеркало заднего вида, стойка зеркала с опорой, кожух опоры
Метка Каталожный номер Наименование детали Наличие
31025-5325294 31025-5325294 Заглушка
Фото Артикул Наименование Модель Ед. Наличие Цена в магазине сегодня Цена интернет магазина
заглушка зеркала заднего вида нового образца "Автокомпонент" г.Н.Новгород Газель 00000014118 заглушка зеркала заднего вида нового образца "Автокомпонент" г.Н.Новгород Газель ГАЗЕЛЬ шт 13₽ 12₽
В корзину
заглушка зеркала 00000058961 заглушка зеркала ГАЗ шт 7₽ 6₽
В корзину
3302-8201416-02 3302-8201416-02 Зеркало заднего вида наружное правое
Фото Артикул Наименование Модель Ед. Наличие Цена в магазине сегодня Цена интернет магазина
зеркало заднего вида наружное правое Газель 3302-8201416-02 г.Калуга 00000014378 зеркало заднего вида наружное правое Газель 3302-8201416-02 г.Калуга ГАЗЕЛЬ шт 219₽ 201₽
В корзину
3302-8201417-02 3302-8201417-02 Зеркало заднего вида наружное левое
Фото Артикул Наименование Модель Ед. Наличие Цена в магазине сегодня Цена интернет магазина
зеркало заднего вида наружное левое Газель 3302-8201417-02 г.Калуга 00000014376 зеркало заднего вида наружное левое Газель 3302-8201417-02 г.Калуга ГАЗЕЛЬ шт 250₽ 230₽
В корзину