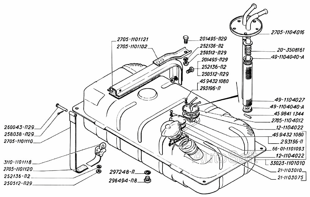
Бак топливный металлический, крепление топливного бака, пробка бака
| Метка | Каталожный номер | Наименование детали | Наличие | ||||||||||||||||||||||||||||
|---|---|---|---|---|---|---|---|---|---|---|---|---|---|---|---|---|---|---|---|---|---|---|---|---|---|---|---|---|---|---|---|
| 12-1104022 | 12-1104022 | Прокладка датчика и фланца | |||||||||||||||||||||||||||||
|
|||||||||||||||||||||||||||||||
| 12-1104022 | 12-1104022 | Прокладка датчика и фланца | |||||||||||||||||||||||||||||
|
|||||||||||||||||||||||||||||||
| 20-3508161 | 20-3508161 | Пружина | |||||||||||||||||||||||||||||
|
|||||||||||||||||||||||||||||||
| 21-1103010 | 21-1103010 | Пробка в сборе | |||||||||||||||||||||||||||||
|
|||||||||||||||||||||||||||||||
| 2705-1101102 | 2705-1101102 | Кронштейн крепления топливного бака | |||||||||||||||||||||||||||||
|
|||||||||||||||||||||||||||||||
| 2705-1104012 | 2705-1104012 | Фланец приемного устройства с трубками и фильтром | |||||||||||||||||||||||||||||
|
|||||||||||||||||||||||||||||||
| 296494-П8 | 296494-П8 | Пробка М18х1,5х12 | |||||||||||||||||||||||||||||
|
|||||||||||||||||||||||||||||||
| 33023-1101010 | 33023-1101010 | Бак топливный | |||||||||||||||||||||||||||||
|
|||||||||||||||||||||||||||||||
