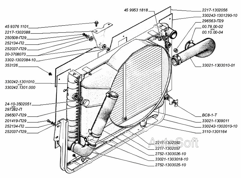
Радиатор двигателей ЗМЗ-402 (для автомобилей выпуска с октября 2002 г.)
| Метка | Каталожный номер | Наименование детали | Наличие | |||||||||||||||||||||||||||||||||||||||||||||||||||||||||
|---|---|---|---|---|---|---|---|---|---|---|---|---|---|---|---|---|---|---|---|---|---|---|---|---|---|---|---|---|---|---|---|---|---|---|---|---|---|---|---|---|---|---|---|---|---|---|---|---|---|---|---|---|---|---|---|---|---|---|---|---|
| 2217-1302088 | 2217-1302088 | Кронштейн крепления радиатора верхний | ||||||||||||||||||||||||||||||||||||||||||||||||||||||||||
|
||||||||||||||||||||||||||||||||||||||||||||||||||||||||||||
| 24-10-3502051 | 24-10-3502051 | Кольцо уплотнительное | ||||||||||||||||||||||||||||||||||||||||||||||||||||||||||
|
||||||||||||||||||||||||||||||||||||||||||||||||||||||||||||
| 296563-П29 | 296563-П29 | Пробка КГ3/8" | ||||||||||||||||||||||||||||||||||||||||||||||||||||||||||
|
||||||||||||||||||||||||||||||||||||||||||||||||||||||||||||
| 3110-1301164 | 3110-1301164 | Подушка крепления радиатора | ||||||||||||||||||||||||||||||||||||||||||||||||||||||||||
|
||||||||||||||||||||||||||||||||||||||||||||||||||||||||||||
| 33021-1303010-01 | 33021-1303010-01 | Шланг радиатора подводящий | ||||||||||||||||||||||||||||||||||||||||||||||||||||||||||
|
||||||||||||||||||||||||||||||||||||||||||||||||||||||||||||
| 33021-1303018-10 | 33021-1303018-10 | Труба | ||||||||||||||||||||||||||||||||||||||||||||||||||||||||||
|
||||||||||||||||||||||||||||||||||||||||||||||||||||||||||||
| 33021-1309011 | 33021-1309011 | Кожух вентилятора | ||||||||||||||||||||||||||||||||||||||||||||||||||||||||||
|
||||||||||||||||||||||||||||||||||||||||||||||||||||||||||||
| 330242-1301010 | 330242-1301010 | Радиатор двигателей 4063.1000400-20 И 560.1000400 | ||||||||||||||||||||||||||||||||||||||||||||||||||||||||||
|
||||||||||||||||||||||||||||||||||||||||||||||||||||||||||||



