Торговая марка
основана в 1994 году

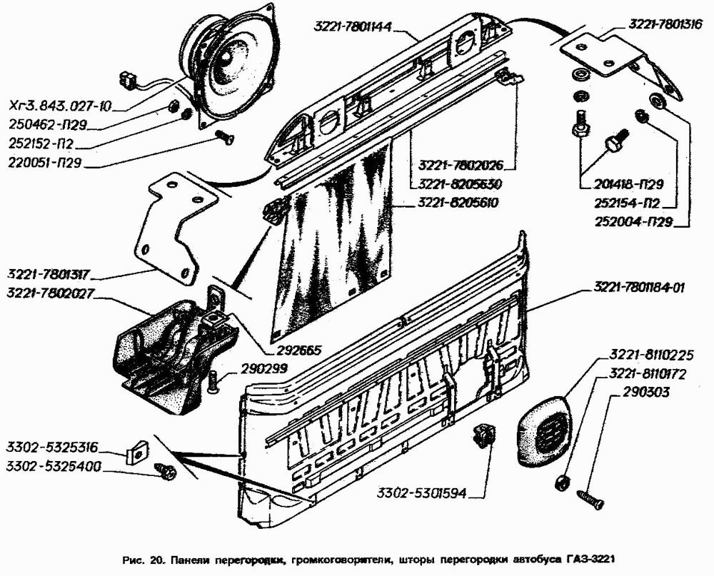
Панели перегородки, громкоговорители, шторы перегородки автобуса ГАЗ-3221

Панели перегородки, громкоговорители, шторы перегородки автобуса ГАЗ-3221